Коническо-цилиндрический редуктор

Коническо-цилиндрический редуктор (коническая пара) — механический редуктор, который содержит в себе одну коническую и цилиндрические передачи. Такой редуктор необходим в случае если оси валов подвода и отбора мощности пересекаются. Редуктор может быть горизонтальным и вертикальным, в зависимости от необходимости. Конические колеса (в первой ступени) выполняются преимущественно с криволинейным профилем зуба, так как первая ступень испытывает наибольшие угловые и линейные скорости (до 60000 об\мин), то плавность работы колесами с прямым зубом не может быть достигнута.
Иллюстрации
Твердотельная модель редуктора, выполненная в среде «Компас»
Модель редуктора
Чертёж редуктора
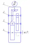
Кинематическая схема редуктора