Логические элементы
Логические элементы — устройства, предназначенные для обработки информации в цифровой форме (последовательности сигналов высокого — «1» и низкого — «0» уровней в двоичной логике, последовательности «0», «1» и «2» в троичной логике, последовательности «0», «1», «2», «3», «4», «5», «6», «7», «8» и «9» — в десятичной). Физически логические элементы могут быть выполнены механическими, электромеханическими (на электромагнитных реле), электронными (в частности, на диодах или транзисторах), пневматическими, гидравлическими, оптическими и другими.
С развитием электротехники от механических логических элементов перешли к электромеханическим логическим элементам (на электромагнитных реле), а затем к электронным логическим элементам: вначале — на электронных лампах, позже — на транзисторах. После доказательства в 1946 году теоремы Джона фон Неймана об экономичности показательных позиционных систем счисления стало известно о преимуществах двоичной и троичной систем счисления по сравнению с десятичной системой счисления. От десятичных логических элементов перешли к двоичным логическим элементам. Двоичность и троичность позволяет значительно сократить количество операций и элементов, выполняющих эту обработку, по сравнению с десятичными логическими элементами.
Логические элементы выполняют логическую функцию (операцию) над входными сигналами (операндами, данными).
Логических функций и соответствующих им логических элементов всего существует , где — основание системы счисления, — число входов (аргументов), — число выходов; таким образом, количество теоретически возможных логических элементов бесконечно. Поэтому в данной статье рассматриваются только простейшие, главные логические элементы.
Всего существует двухвходовых двоичных логических элементов и трёхвходовых двоичных логических элементов (и соответствующих булевых функций). Аналогично, для троичной логики возможны 19 683 двухвходовых и 7 625 597 484 987 трёхвходовых логических элементов.
Двоичные логические операции с цифровыми сигналами (битовые операции)
Своё теоретическое обоснование логические операции (булева функция) получили в алгебре логики.
Логические операции с одним операндом называются унарными, с двумя — бинарными, с тремя — тернарными (триарными, тринарными) и т. д.
Унарные операции
Из возможных унарных операций с унарным выходом интерес для реализации представляют операции отрицания (инверсии) и повторения, причём, операция отрицания имеет бо́льшую значимость, чем операция повторения, так как повторитель может быть собран из двух инверторов, а инвертор из повторителей не собрать.
Отрицание (инверсия). Операция «НЕ»
| 0 | 1 |
| 1 | 0 |
Мнемоническое правило для отрицания звучит так — на выходе будет:
- «1» тогда и только тогда, когда на входе «0»,
- «0» тогда и только тогда, когда на входе «1».
Повторение
- Повторитель (буфер)


| (буферизованное) | |
|---|---|
| 0 | 0 |
| 1 | 1 |
Выходная логическая переменная равна входной.
Бинарные операции
Преобразование информации требует выполнения операций с группами знаков, простейшей из которых является группа из двух знаков. Оперирование с большими группами всегда можно разбить на последовательные операции с двумя знаками. Из возможных бинарных логических операций с двумя знаками с унарным выходом интерес для реализации представляют 10 операций, приведённых ниже.
Конъюнкция (логическое умножение). Операция «И»
- Элемент «И»


| 0 | 0 | 0 |
| 0 | 1 | 0 |
| 1 | 0 | 0 |
| 1 | 1 | 1 |
Логический элемент, реализующий функцию конъюнкции, называется схемой совпадения. Мнемоническое правило для конъюнкции с любым количеством входов звучит так — на выходе будет:
- «1» тогда и только тогда, когда на всех входах действуют «1»,
- «0» тогда и только тогда, когда хотя бы на одном входе действует «0».
Словесно эту операцию можно выразить следующим выражением: «Истина на выходе может быть только при истине на входе 1 И истине на входе 2».
Дизъюнкция (логическое сложение). Операция «ИЛИ»
- Элемент «ИЛИ»


| 0 | 0 | 0 |
| 0 | 1 | 1 |
| 1 | 0 | 1 |
| 1 | 1 | 1 |
Мнемоническое правило для дизъюнкции с любым количеством входов звучит так — на выходе будет:
- «1» тогда и только тогда, когда хотя бы на одном входе действует «1»,
- «0» тогда и только тогда, когда на всех входах действуют «0».
Инверсия функции конъюнкции. Операция «И-НЕ» (штрих Шеффера)
- Элемент «И-НЕ»


| 0 | 0 | 1 |
| 0 | 1 | 1 |
| 1 | 0 | 1 |
| 1 | 1 | 0 |
Мнемоническое правило для И-НЕ с любым количеством входов звучит так — на выходе будет:
- «1» тогда и только тогда, когда хотя бы на одном входе действует «0»,
- «0» тогда и только тогда, когда на всех входах действуют «1».
Инверсия функции дизъюнкции. Операция «ИЛИ-НЕ» (стрелка Пирса)
- Элемент «ИЛИ-НЕ»


| 0 | 0 | 1 |
| 0 | 1 | 0 |
| 1 | 0 | 0 |
| 1 | 1 | 0 |
Мнемоническое правило для ИЛИ-НЕ с любым количеством входов звучит так — на выходе будет:
- «1» тогда и только тогда, когда на всех входах действуют «0»,
- «0» тогда и только тогда, когда хотя бы на одном входе действует «1».
Эквивалентность (равнозначность, тождество). Операция «исключающее ИЛИ-НЕ»
- Элемент «исключающее ИЛИ-НЕ»


| 0 | 0 | 1 |
| 0 | 1 | 0 |
| 1 | 0 | 0 |
| 1 | 1 | 1 |
Мнемоническое правило эквивалентности с любым количеством входов звучит так — на выходе будет:
- «1» тогда и только тогда, когда на входе действует чётное количество «1» или «0».
- «0» тогда и только тогда, когда на входе действует нечётное количество «1».
Словесная запись: «истина на выходе при истине на входе 1 и входе 2 или при лжи на входе 1 и входе 2».
Сложение (сумма) по модулю 2 (неравнозначность, инверсия равнозначности). Операция «исключающее ИЛИ»
- Элемент «исключающее ИЛИ»


| 0 | 0 | 0 |
| 0 | 1 | 1 |
| 1 | 0 | 1 |
| 1 | 1 | 0 |
Мнемоническое правило для суммы по модулю 2 с любым количеством входов звучит так — на выходе будет:
- «1» тогда и только тогда, когда на входе действует нечётное количество «1»,
- «0» тогда и только тогда, когда на входе действует чётное количество «1».
Словесное описание: «истина на выходе — при истине только на входе 1, либо при истине только на входе 2».
Импликация от A к B (прямая импликация, инверсия декремента, следовательно, A<=B)
| 0 | 0 | 1 |
| 0 | 1 | 1 |
| 1 | 0 | 0 |
| 1 | 1 | 1 |
Мнемоническое правило для инверсии декремента звучит так — на выходе будет:
- «0» тогда и только тогда, когда значение на «B» меньше значения на «A»,
- «1» тогда и только тогда, когда значение на «B» больше либо равно значению на «A».
Импликация от B к A (обратная импликация, инверсия инкремента, A>=B)
| 0 | 0 | 1 |
| 0 | 1 | 0 |
| 1 | 0 | 1 |
| 1 | 1 | 1 |
Мнемоническое правило для инверсии инкремента звучит так — на выходе будет:
- «0» тогда и только тогда, когда значение на «B» больше значения на «A»,
- «1» тогда и только тогда, когда значение на «B» меньше либо равно значению на «A».
Декремент. Запрет импликации по B. Инверсия импликации от A к B
| ↛ | ||
|---|---|---|
| 0 | 0 | 0 |
| 0 | 1 | 0 |
| 1 | 0 | 1 |
| 1 | 1 | 0 |
Мнемоническое правило для инверсии импликации от A к B звучит так — на выходе будет:
- «1» тогда и только тогда, когда значение на «A» больше значения на «B»,
- «0» тогда и только тогда, когда значение на «A» меньше либо равно значению на «B».
Инкремент. Запрет импликации по A. Инверсия импликации от B к A
| ↛ | ||
|---|---|---|
| 0 | 0 | 0 |
| 0 | 1 | 1 |
| 1 | 0 | 0 |
| 1 | 1 | 0 |
Мнемоническое правило для инверсии импликации от B к A звучит так — на выходе будет:
- «1» тогда и только тогда, когда значение на «B» больше значения на «A»,
- «0» тогда и только тогда, когда значение на «B» меньше либо равно значению на «A».
Примечание 1. Элементы импликаций не имеют промышленных аналогов для функций с количеством входов, не равным 2.
Примечание 2. Элементы импликаций не имеют промышленных аналогов.
Этими простейшими логическими операциями (функциями), и даже некоторыми их подмножествами, можно выразить любые другие логические операции. Такой набор простейших функций называется функционально полным логическим базисом. Таких базисов 4:
- И, НЕ (2 элемента)
- ИЛИ, НЕ (2 элемента)
- И-НЕ (1 элемент)
- ИЛИ-НЕ (1 элемент).
Для преобразования логических функций в один из названных базисов необходимо применять законы (правила) де Моргана.
Физические реализации
Реализация логических элементов возможна при помощи устройств, использующих самые разнообразные физические принципы:
- механические,
- гидравлические,
- пневматические,
- электромагнитные,
- электромеханические,
- электронные,
- оптические.
Физические реализации одной и той же логической функции, а также обозначения для истины и лжи, в разных системах электронных и неэлектронных элементов отличаются друг от друга.
Классификация электронных транзисторных физических реализаций логических элементов
Логические элементы подразделяются и по типу использованных в них электронных элементов. Наибольшее применение в настоящее время находят следующие логические элементы:
- РТЛ (резисторно-транзисторная логика)
- ДТЛ (диодно-транзисторная логика)
- ТТЛ (транзисторно-транзисторная логика)

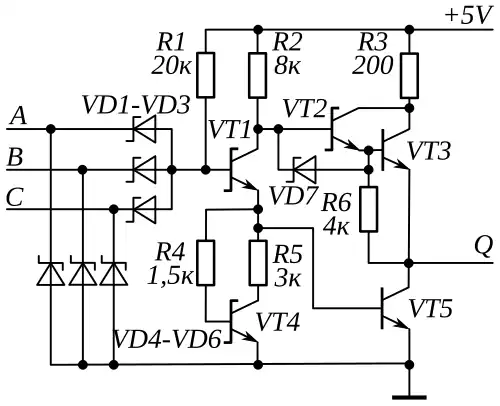
Обычно входной каскад логических элементов ТТЛ представляет собой простейшие компараторы, которые могут быть выполнены различными способами (на многоэмиттерном транзисторе или на диодной сборке). В логических элементах ТТЛ входной каскад, кроме функций компараторов, выполняет и логические функции. Далее следует выходной усилитель с двухтактным (двухключевым) выходом.
В логических элементах КМОП входные каскады также представляют собой простейшие компараторы. Усилителями являются КМОП-транзисторы. Логические функции выполняются комбинациями параллельно и последовательно включенных ключей, которые одновременно являются и выходными ключами.
Транзисторы могут работать в инверсном режиме, но с меньшим коэффициентом усиления. Это свойство используется в ТТЛ многоэмиттерных транзисторах. При подаче на оба входа сигнала высокого уровня (1,1) первый транзистор оказывается включённым в инверсном режиме по схеме эмиттерного повторителя с высоким уровнем на базе, транзистор открывается и подключает базу второго транзистора к высокому уровню, ток идёт через первый транзистор в базу второго транзистора и открывает его. Второй транзистор «открыт», его сопротивление мало и на его коллекторе напряжение соответствует низкому уровню (0). Если хотя бы на одном из входов сигнал низкого уровня (0), то транзистор оказывается включённым по схеме с общим эмиттером, через базу первого транзистора на этот вход идёт ток, что открывает его и он закорачивает базу второго транзистора на землю, напряжение на базе второго транзистора мало́ и он «закрыт», выходное напряжение соответствует высокому уровню. Таким образом, таблица истинности соответствует функции 2И-НЕ.
.svg.png)
- ТТЛШ (то же с диодами Шоттки)
Для увеличения быстродействия логических элементов в них используются транзисторы Шоттки (транзисторы с диодами Шоттки), отличительной особенностью которых является применение в их конструкции выпрямляющего контакта металл-полупроводник вместо p-n-перехода. При работе этих приборов отсутствует инжекция неосновных носителей и явления накопления и рассасывания заряда, что обеспечивает высокое быстродействие. Включение этих диодов параллельно коллекторному переходу блокирует насыщение выходных транзисторов, что увеличивает напряжения логического 0, так как падени напряжения на насыщенном транзисторе больше, но уменьшает потери времени на переключение логического элемента при том же потребляемом токе (или позволяет уменьшить потребляемый ток при сохранении быстродействия). Так, серия 74хх — классическая серия ТТЛ и серия 74LSxx — серия с диодами Шоттки, имеют приблизительно равное быстродействие (фактически серия 74LSxx несколько быстрее), но потребляемый ток меньше в 4—5 раз и во столько же раз меньше и входной ток логического элемента.
- КМОП (логика на основе комплементарных ключей на МОП транзисторах).
- ЭСЛ (эмиттерно-связанная логика).
Эта логика, иначе называемая логикой на переключателях тока, построена на базе биполярных транзисторов, объединённых в дифференциальные каскады. Один из входов обычно подключён внутри микросхемы к источнику опорного (образцового) напряжения, примерно посредине между логическими уровнями. Сумма токов через транзисторы дифференциального каскада постоянна, в зависимости от логического уровня на входе изменяется лишь то, через какой из транзисторов течёт этот ток. В отличие от ТТЛ, транзисторы в ЭСЛ работают в активном режиме и не входят в насыщение или инверсный режим. Это приводит к тому, что быстродействие ЭСЛ-элемента при той же технологии (тех же характеристиках транзисторов) гораздо больше, чем ТТЛ-элемента, но больше и потребляемый ток. К тому же, разница между логическими уровнями у ЭСЛ-элемента намного меньше, чем у ТТЛ (меньше вольта), и, для приемлемой помехоустойчивости, приходится использовать отрицательное напряжение питания (а иногда и применять для выходных каскадов второе питание). Зато максимальные частоты переключения триггеров на ЭСЛ более, чем на порядок превышают возможности современных им ТТЛ, например, серия К500 обеспечивала частоты переключения 160—200 МГц, по сравнению с 10—15 МГц современной ей ТТЛ серии К155. В настоящее время и ТТЛ(Ш), и ЭСЛ практически не используются, так как с уменьшением проектных норм КМОП-технология достигла частот переключения в несколько гигагерц.
Инвертор
Одним из основных логических элементов является инвертор. Инвертирующими каскадами являются однотранзисторный каскад с общим эмиттером, однотранзисторный каскад с общим истоком, двухтранзисторный двухтактный выходной каскад на комплементарных парах транзисторов с последовательным включением транзисторов по постоянному току (применяется в ТТЛ и КМОП), двухтранзисторный дифференциальный каскад с параллельным включением транзисторов по постоянному току (применяется в ЭСЛ) и др. Но одного условия инвертирования недостаточно для применения инвертирующего каскада в качестве логического инвертора. Логический инвертор должен иметь смещённую рабочую точку на один из краёв проходной характеристики, что делает каскад неустойчивым в середине диапазона входных величин и устойчивым в крайних положениях (закрыт, открыт). Такой характеристикой обладает компаратор, поэтому логические инверторы строят как компараторы, а не как гармонические усилительные каскады с устойчивой рабочей точкой в середине диапазона входных величин. Таких каскадов, как и контактных групп реле, может быть два вида: нормально закрытые (разомкнутые) и нормально открытые (замкнутые).
Применение логических элементов
Логические элементы входят в состав серий микросхем, например ТТЛ-элементы — в состав микросхем серии К155 (SN74), К133; ТТЛШ — 530, 533, К555, ЭСЛ — 100, К500 и т. д.
Комбинационные логические устройства
Комбинационными называются такие логические устройства, выходные сигналы которых однозначно определяются входными сигналами:
- Сумматор
- Полусумматор
- Шифратор
- Дешифратор
- Мультиплексор
- Демультиплексор
- Цифровой компаратор
- Мажоритарный элемент
- Постоянное запоминающее устройство (ПЗУ) как универсальная комбинационная логическая схема
Все они выполняют простейшие двоичные, троичные или n-ичные логические функции.
Последовательностные цифровые устройства
Последовательностными называют такие логические устройства, выходные сигналы которых определяются не только сигналами на входах, но и предысторией их работы, то есть состоянием элементов памяти.
- Триггер
- Счётчик импульсов
- Регистр
- Венъюнктор
- Секвентор
См. также
Литература
- Новиков Ю. В. Введение в цифровую схемотехнику. Курс лекций. — М.: Интернет-университет информационных технологий, 2006. — ISBN 5-94774-600-X.