8 × 68 мм S
| 8×68 мм S | |
|---|---|
![]() Патрон 8×68mm — третий слева | |
| Тип патрона | Винтовочный «магнум» / охотничий |
| Страна-производитель |
|
| История производства | |
| Конструктор | Август Шюлер, фирма August Schüler Waffenfabrik, г. Зуль |
| Время создания | 1939 |
| Годы производства | 1939 - настоящее время |
| Варианты | 8×68 мм RS (с рантом) |
| Характеристики | |
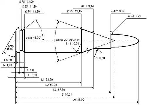
| Длина патрона, мм | 87.0 |
| Настоящий калибр пули, мм | 8.20 |
| Масса пули, г | 11.7 |
| Начальная скорость пули, м/с | 945 |
| Энергия пули, Дж | 5224 |
| Длина испытательного ствола, мм | 650 мм |
| Параметры гильзы | |
| Длина гильзы, мм | 67.50 |
| Диаметр шеи гильзы, мм | 9.14 |
| Диаметр плеча гильзы, мм | 12.15 |
| Диаметр основания гильзы, мм | 13.30 |
| Диаметр фланца гильзы, мм | 13.0 |
8×68 мм S (или 8×68 мм) — охотничий патрон немецкого происхождения. Буква S в немецкой системе номинации патронов означает, что калибр пули (8,2 мм) измеряется по дну нарезов.
История
Патрон 8×68 мм был разработан в 1930-е годы фирмой August Schüler Waffenfabrik в г. Зуль. Перед конструкторами фирмы стояла задача — создать охотничий патрон максимально возможной мощности, который подходил бы для соответствующим образом рассверленных винтовок армейского образца Маузер-98. Чтобы выполнить задачу, патрон пришлось создавать «с нуля», не беря за основу ни одну из имевшихя ранее гильз (длина новой гильзы в 68 мм оказалась максимально возможной, более длинная гильза требовала бы уже применения нового ствола).
Новая гильза была одновременно использована для создания и другого мощного патрона 6,5×68 мм.
Новый боеприпас оказался действительно очень мощным патроном, с высокой начальной скоростью (в некоторых типах патрона почти 1000 м/с) и дульной энергией пули и очень настильной траекторией. Кучность при стрельбе также оказалась исключительно высокой. Патрон 8×68 мм окончательно заполнил пробел в существовавшей на тот момент линейке германских охотничьих боеприпасов, не имевшей настоящего «магнума», позволявшего вести дальнюю стрельбу по крупной дичи.
На рынке патрон 8×68 мм появился весной 1939 года. Начавшаяся война остановила его производство и распространение, поэтому популярность пришла к патрону только в 1950-е годы.
Особенности и применение
8×68 мм — мощный боеприпас, энергия пули которого может достигать 5,5 кДж. Его пуля, наряду с высокой скоростью, несёт большую поперечную нагрузку, что, в сочетании с её достаточно большим весом (11…16 г) придаёт ей мощную пробивную способность. Благодаря этому патрон 8×68 мм нередко успешно применялся при охоте на слона. В 1950-60-е годы это был один из распространённых боеприпасов для стрельбы по представителям «большой африканской пятёрки», хотя его мощность следует считать минимально допустимой для такой охоты.

Стрельба им по слону или носорогу требует исключительно точного попадания и применения недеформирующихся пуль и может практиковаться только очень опытными охотниками.
Сейчас в таких целях этот патрон практически не используется, поскольку в большинстве стран Африки существует законодательное ограничение на минимальный калибр для охоты на «пятёрку» — это, как правило, .375 Н&Н Magnum или его немецкий аналог 9,3×64 мм. Исключение лишь ЦАР, где такой калибр никак не регламентирован, поэтому там ещё возможно применение 8×68 мм по крупной толстокожей дичи[1].
Теоретически патрон 8×68 мм годится для поражения любой крупной дичи. В США, Западной Европе и России он обычно используется при стрельбе кабана, лося, медведя и оленей. По ряду отзывов, при охоте на медведя это очень подходящий боеприпас, обеспечивающий гарантированную добычу зверя[2]. В Африке им можно бить крупных антилоп, таких, как канна, гну, или большой куду. Свои положительные качества патрон проявляет на больших дистанциях, что очень важно, например, в саванне — сказываются высокая скорость пули, её настильная траектория и хорошая кучность. По этой же причине 8×68 мм подходит для стрельбы в горах.
Патрон 8×68 мм обладает двумя ярко выраженными недостатками, которые оказывают сдерживающее влияние на его широкое распространение, хотя он не принадлежит к числу редких боеприпасов. Это, во-первых, тяжёлая отдача, которая может быть проблемой для стрелка средней комплекции. Она заметно сильнее, чем у некоторых более мощных патронов, таких, как .375 Н&Н Magnum. Второй недостаток — сильнейшее фугасное действие его пуль на дистанциях 100—150 м, из-за чего тушка мелкой или средней дичи может быть буквально разорвана на части. Поэтому его мощность, особенно при применении экспансивных пуль, чрезмерна при охоте даже на дичь весом 100—150 кг (то есть среднего кабана или оленя)[3].
8×68 мм приобрёл в США широкую популярность у любителей ручного снаряжения патронов, хотя среди американских охотников он не так распространён, как в Европе.
Патроны 8×68 мм выпускаются в достаточно узком ассортименте (наиболее известный производитель — немецкая фирма RWS), хотя в продаже встречаются довольно часто; цена одного патрона в России до падения курса рубля составляла примерно 220—300 руб. В настоящее время ~800 рублей за патрон.
Примечания
- ↑ Роберт Элман. Охота. Энциклопедия. — М.: Омега, 2001. — С. 175. — 280 с. — 5000 экз. — ISBN 0-7607-0710-3.
- ↑ С. Гуляев. Чем стрелять крупных животных? «Российская охотничья газета» № 23 - 2004г.. Дата обращения: 6 июня 2010. Архивировано из оригинала 24 декабря 2011 года.
- ↑ Выбор нарезного оружия. Электронный журнал Logovo.info (4 декабря 2008). Дата обращения: 6 июня 2010. Архивировано 15 марта 2012 года.
Ссылки
На Викискладе есть медиафайлы по теме 8 × 68 мм S- RWS / RUAG Ammotec (англ.). © by RWS. Дата обращения: 8 июля 2010. Архивировано 28 апреля 2012 года.
