SECU-3
| SECU-3 | |
|---|---|
![]() Логотипы проекта SECU-3 | |
| Тип | Инжекторная система подачи топлива |
| Написана на |
C (основное ПО ЭСУД), C++ (ПО для настройки под Windows и Linux), Java (ПО для настройки под Android) |
| Операционные системы | Windows, macOS, Linux (для ПО настройки) |
| Аппаратная платформа | ATmega |
| Последняя версия | (31 декабря 2018[1]) |
| Лицензия | Лицензия GPL |
| Сайт | secu-3.org |

SECU-3 — блок управления двигателем внутреннего сгорания. Проект открытый (доступны чертежи, схемы, прошивки и т. п.), в котором может принять участие любой желающий. Лицензия использования аппаратного обеспечения TAPR Open Hardware License, программного обеспечения — GNU GPL.
История
Система создавалась киевлянином Алексеем Шабельниковым с 2006 года практически в одиночку. Изначально это был сугубо утилитарный проект, направленный на улучшение характеристик автомобиля Москвич-2140, принадлежавшего автору. Примерно с 2012 года у автора появились последователи и проект стал развиваться как открытый. Однако все равно большинство работ выполняется автором самостоятельно. Проект финансируется в основном за счет продажи автором готовых блоков системы и, частично, на спонсорские взносы последователей.
За все годы существования проекта микропроцессорным ядром системы были о остаются микроконтроллеры семейства ATmega. Поскольку проект стартовал задолго до появления популярной платформы Arduino, то он не совместим с ней ни аппаратно (по используемым выводам и тактовым частотам) ни программно (по загрузчику и используемым модулям языка C), в отличие от другого аппаратного обеспечения на тех же микроконтроллерах (например, аппаратное и программное обеспечение проекта RepRap). Автор со своей стороны считает нецелесообразным портировать проект на Arduino. Программное обеспечение проекта достаточно сильно привязано к периферийным устройствам (особенно — таймерам) и системе команд микроконтроллеров ATmega и его портирование на другие, более производительные платформы, например STM затруднено.
По состоянию на 2020 год проект развивается и представляет собой систему, пригодную для установки на автомобили, а также мототехнику, «из коробки», то есть лицами, не имеющими достаточных знаний области программирования микроконтроллеров.
Система SECU-3 традиционно используется любителями старых автомобилей, для улучшения характеристик карбюраторных двигателей или их апгрейда до впрыска (известно несколько реализаций на SECU-3 впрыска на «Запорожцы»), а также любителями мотоциклов «Урал» и «Днепр». Пригодна для апгрейда двигателей малокубатурной мототехники. Известно применение SECU-3 на двигателе авиамодели.
Описание


Устройство управляет зажиганием, впрыском топлива и различным навесным оборудованием ДВС. В частности, способен управлять воздушной заслонкой карбюратора при помощи шагового двигателя, с поддержкой прогревочных оборотов ДВС. Управляет составом смеси на карбюраторе (по типу систем AXTEC AFR), ЭПXX, ЭМР, бензонасосом, шаговым дозатором газа с обратной связью по датчику кислорода и другими исполнительными устройствами. Оригинальные возможности по переназначеню функций входов/выходов блока. Плавное управление оборотами вентилятора охлаждения двигателя. Возможность изменения основных настроек и таблиц в реальном времени (на ходу) и переключения между 2 или 4 наборами таблиц. И другие возможности и функции (см. ниже).
На данный момент есть 5 модификаций блока:
- SECU-3 Архивная копия от 4 ноября 2015 на Wayback Machine. Первая версия блока, разработанная ещё в 2007 году. В последних релизах программного обеспечения поддержка данного блока уже прекращена. С историей можно более подробно ознакомиться тут.
- SECU-3T. Может управлять как зажиганием, так и впрыском топлива. Не содержит встроенных силовых драйверов для управления катушками зажигания, топливными форсунками и актуатором регулятора холостого хода (РXX). Необходимо использовать внешние драйверы.
- SECU-3L. Предназначен для управления зажиганием и его можно рассматривать как облегченную версию блока SECU-3T. Содержит встроенные драйверы катушек зажигания и датчик абсолютного давления (ДАД). Программно совместим с блоком SECU-3T.
- SECU-3 Micro. Простой и бюджетный блок управления зажиганием, выполненный в небольшом пластиковом корпусе. Имеет всего несколько входов/выходов и не содержит встроенных силовых драйверов катушек зажигания. Это самая простая версия блока SECU-3.
- SECU-3i. Полнофункциональный блок электронной системы управления ДВС, выполненный в металлическом корпусе со всеми встроенными силовыми драйверами/ключами, расширенным числом входов и выходов и встроенным Bluetooth. Это последняя разработка автора. Данный блок состоит из двух плат. Имеет защищенные все входы и выходы от кз и перенапряжений.
Устройство выполнено на 8-битном AVR микроконтроллере ATMega644 Архивная копия от 11 октября 2015 на Wayback Machine, с 64кБ постоянного запоминающего устройства (ПЗУ), 4кБ оперативного запоминающего устройства (ОЗУ) и работающего на тактовой частоте 20 МГц. В последних версиях используется микроконтроллер ATmega 1284 c удвоенным объемом памяти, ввиду добавления новых функций памяти старого контроллера стало не достаточно. На данный момент есть информация что автор ведет работу по портированию и разработке блока на процессорах семейства STM32 . Включает в себя аналоговые и дискретные входы, микросхему для предварительной обработки сигнала с датчика детонации (ДД) (кроме блока SECU-3L и SECU-3 Micro), формирователь сигнала с датчика начала отсчета (ДНО) (кроме блока SECU3 Micro), формирователь сигнала с датчика положения коленчатого вала (ДПКВ), интерфейс с компьютером и выходы управления исполнительными устройствами.
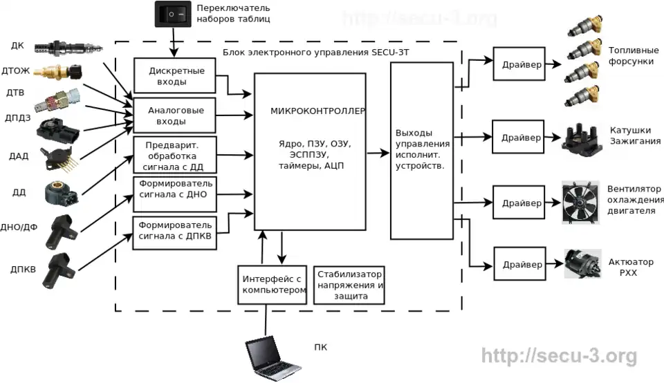
Структурная схема системы с блоком SECU-3T:

На следующем рисунке показана структурная схема системы с блоком SECU-3L (Lite):


Структурная схема системы с блоком SECU-3 Micro:
Структурная схема системы с блоком SECU-3i (пример, не отражает все возможности системы):





Пример схемы включения блока SECU-3T для управления одновременным или попарно-параллельным впрыском на 4-цилиндровом ДВС показан на рисунке ниже. Используются высокоомные форсунки и актуатор РXX шагового типа. Справа в таблице (на рисунке) показаны выводы внешнего разъема, которые нужно переназначить на указанные функции в программе SECU-3 Manager.

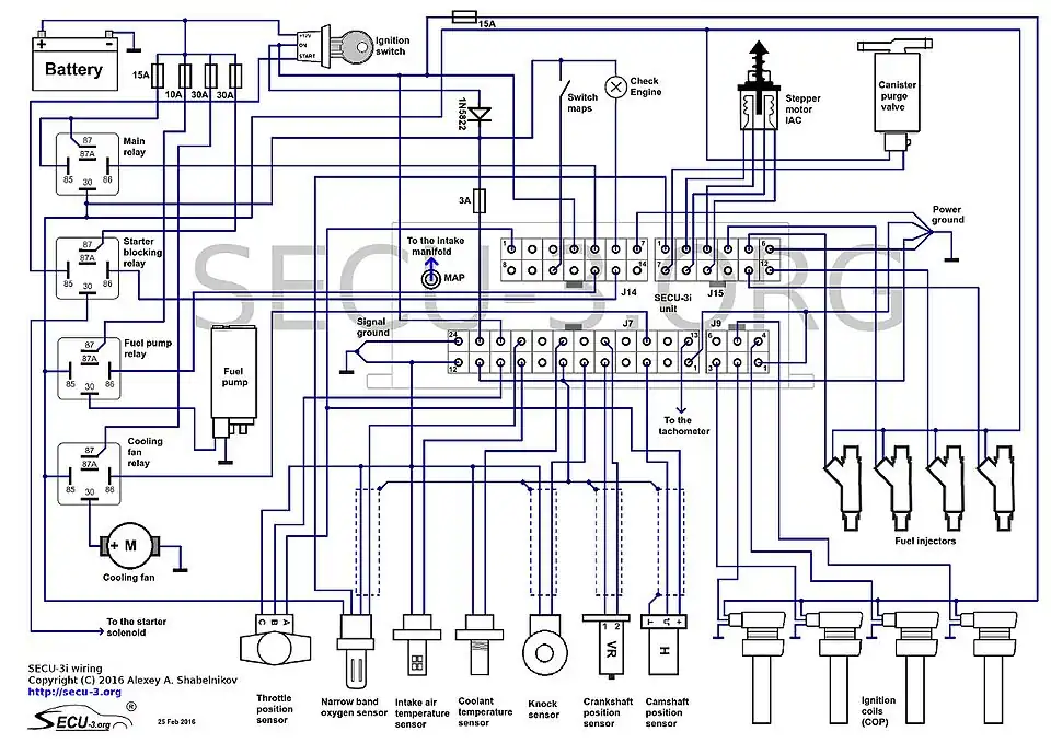
Схема включения блока ЭСУД SECU-3i несколько более сложная (это только пример и он не отражает всех возможностей данного блока). На схеме показано подключение датчиков, форсунок, катушек зажигания, шагового РXX, клапана продувки адсорбера, бензонасоса и т. д.

Условные обозначения и сокращения:
- ДХ — датчик Холла
- ДПКВ — датчик положения коленчатого вала
- ДНО+ДУИ — система синхронизации, основанная на двух ДПКВ: датчика начала отсчета (ДНО) и датчика угловых импульсов (ДУИ)
- Концевик — концевой выключатель дроссельной заслонки карбюратора (позволяет системе определять открыта или закрыта заслонка)
- ДПДЗ — датчик положения дроссельной заслонки
- ДТОЖ — датчик температуры охлаждающей жидкости
- ДТВ — датчик температуры воздуха
- ДК — датчик кислорода
- ДС — датчик скорости
- ДФ — датчик фаз
- ДД — датчик детонации
- ДАД — датчик абсолютного давления
- РXX — регулятор холостого хода
- ЭПXX — экономайзер принудительного холостого хода
- ЭМР — экономайзер мощностных режимов
- ПК — персональный компьютер
История
Первая версия SECU-3, успешно управляющая зажиганием автомобиля автора А. Шабельникова была запущена в октябре 2007 года. С того времени проект получил множество новых функций и способов синхронизации. Система эволюционировала из контроллера управления зажиганием (МПСЗ) в систему управления двигателем (ЭСУД). Всё время активно поддерживается автором.
Текущий статус
Доработка алгоритмов впрыска топлива, добавление поддержки распределенного фазированного впрыска, доработка ПО для блока ЭСУД SECU-3i и его испытания.
Проект с 2016 года стал условно-открытым. Чертежи, схемы, прошивки все так же можно скачать, но последние исходные коды прошивки SECU на GitHub датируются 25 ноября 2016 года[2] хотя развитие ПО продолжается по сей день.
Возможности текущей прошивки связанные с впрыском:
- Одновременный впрыск (все форсунки включаются одновременно), моновпрыск (одна форсунка располагающаяся на месте карбюратора), попеременый впрыск (две форсунки или два банка форсунок включаются поочередно) и попарно-параллельный впрыск (форсунки работают парами)
- Расчет циклового наполения по методу speed-density (используется ДАД и ДТВ)
- Open-loop РXX (в ближайшем будущем будет реализован closed-loop c ПИ-регулятором)
- Алгоритм коррекции смеси по ДК с возможностью изменения порога стехиометрии (В), шага интегрирования и т. д.
- Таблицы: VE, AFR, время вкл.форсунки, обогащение на прогреве, положение РXX на пуске, положение РXX от t при работе, длительн. впрыска на пуске, фаза впрыска
- Обогащение после пуска
- Обогащение при ускорении (по ДПДЗ)
- Впрыск перед пуском (Priming pulse).
В более поздних прошивках добавлены алгоритм расчета по ДМРВ.
Долговременная адаптация по датчику кислорода.
Поддержка датчика температуры выхлопных газов.
Лицензия
GPL, TAPR OHL Архивная копия от 24 мая 2015 на Wayback Machine с одним дополнением: использование разработок в коммерческих целях без письменного согласия автора запрещено Архивная копия от 14 ноября 2016 на Wayback Machine.
Возможности
- Поддержка двигателей с числом цилиндров 1,2,3,4,5,6,8
- Синхронизация от ДПКВ, ДНО+ДУИ. Поддержка шкивов 60-2, 36-1 и с другим кол-вом зубьев (от 16 до 200 зубьев)
- Синхронизация от датчика Холла (ДХ), можно оставить трамблер
- Регулирование УОЗ по оборотам (от ДПКВ, ДНО+ДУИ или ДХ)
- Регулирование УОЗ по нагрузке (от ДАД)
- Корректировка УОЗ по температуре (различные типы ДТОЖ)
- Корректировка УОЗ по детонации (от ДД)
- Измерение напряжения бортовой сети
- Реализация функции ЭПXX
- Реализация функции ЭМР (power valve)
- Многоканальный выход (от 1 до 6 коммутаторов). Есть возможность использовать до 8 каналов
- Поддержка двухканальных коммутаторов (управление через 1 вход используя 2 фронта)
- Интерфейс RS-232 для перепрошивки, управления и настройки (c гальванической развязкой) или USB (без гальв. развязки)
- Возможность управления электр. вентилятором охлаждения двигателя (в частн. используя ШИМ)
- Блокировка стартера по достижении установленных оборотов
- Поддержка газовой аппаратуры (автоматическое перекл. газ/бензин)
- Выход для подключения лампы «Check Engine» c поддержкой блинк кодов
- Возможность аварийного запуска загрузчика (boot loader)
- Возможность аварийного восстановления настроек
- Регулирование оборотов XX при помощи УОЗ
- Управление накоплением энергии катушек зажигания
- Поддержка датчика фаз (зажигание на индивидуальных катушках — фазированное)
- Управление впрыском топлива (моно, одновременный впрыск)
- Изменение фазы впрыска по таблице
- Расчет наполнения по методу Speed-Density
- Управление составом смеси на карбюраторе(Solex) с обратной связью по ДК
- Управление щитком приборов по CAN шине от автомобилей семейства LADA[3][4]
Дополнительные возможности:
- Управление электробензонасосом
- Настраиваемый выход импульсов для ДХ или тахометра
- Встроенная функция стробоскопа (можно использовать любой свободный выход)
- Возможность переназначения выходов
- Определение положения дроссельной заслонки по ДПДЗ
- Обработка и запись в лог-файл сигнала с 2-х дополнительных входов (к одному из входов можно подключить, например лямбда-зонд)
- Управление питанием (возможность работы некоторых функций блока после выключения зажигания, например работа вентилятора и регулировка положения воздушной заслонки в зависимости от температуры двигателя)
- Управление воздушной заслонкой карбюратора (используя шаговый двигатель)
- Управление шаговым дозатором газа (актюатором)
- Поддержка датчика скорости (Отображение и запись в лог скорости автомобиля и пройденного расстояния)
- Управление электроподогревом впускного коллектора
- Корректировка УОЗ по датчику температуры воздуха (ДТВ подключается к одному из 2-х дополнительных входов)
- 3 универсальных настраиваемых выхода, которые могут быть гибко запрограммированы пользователем на различные действия
Различие версий
| SECU-3 | SECU-3T | SECU-3T revC и выше | SECU-3L (Lite) | SECU-3 Micro | SECU-3i | |
|---|---|---|---|---|---|---|
| Дата | 2007 | 2012 | 2014 | 2015 | 2016 | 2016 |
| Процессор | ATMega16, ATMega32 | ATMega32 давно не используется. В новых блоках ATmega 1284 . | ATMega644 устаревшие блоки, в новых ATmega 1284 возможен так же апгрейд на новый микроконтроллер с расширением функционала. | ATMega644 устаревшие блоки, в новых ATmega 1284 | ATMega644 устаревшие блоки, в новых ATmega 1284 | ATMega644 устаревшие блоки, в новых ATmega 1284 возможен так же апгрейд на новый микроконтроллер с расширением функционала. |
| Возможности | Холостая искра, синхронизация от ДПКВ | Фазированное зажигание,
синхронизация от ДХ, ДПКВ, ДНО+ДУИ, управление воздушной заслонкой карбюратора, иммобилайзер на iButton, встроенный Bluetooth модуль (опционально) |
тоже, а также управление впрыском,
составом смеси на карбюраторе, шаговым дозатором газа программируемые выходы. |
Облегченная версия, предназначена
для управления зажиганием, ЭПXX и блокировкой стартера. Силовые ключи катушек зажигания встроены в блок. Упрощенная установка и подключение. |
Максимально упрощенная версия, предназначена
для управления только зажиганием. Не содержит встроенных ключей зажигания. Всего два выхода зажигания и несколько входов. |
Самая функциональная версия блока, полноценная ЭСУД. Все необходимые устройства встроены в блок (драйверы форсунок, зажигания, РXX, шагового двигателя, ШИМ и т. д.).
Блок состоит из двух плат. |
| Главный разъем | DB-25 | MiniFit 24 pin | MiniFit 14+12 pin | MiniFit 14 pin | MiniFit 12 pin | MiniFit 24+6+14+12 pin |
| Интерфейс | RS-232 c гальванической развязкой | RS-232 c гальванической развязкой или USB | USB | USB c гальванической развязкой | USB | USB c гальванической развязкой |
Примечания
- ↑ Последняя проверенная прошивка и менеджер для SECU-3 (от 31122018). SECU-3 Project. Дата обращения: 27 июля 2020. Архивировано 4 сентября 2019 года.
- ↑ ashabelnikov/secu3app (англ.). GitHub. Дата обращения: 24 июня 2018.
- ↑ Предрелизные обновления ПО (для тестирования) • Программное обеспечение для ПК и релизы ПО. SECU-3.org. Дата обращения: 24 июня 2018.
- ↑ Требуется CAN-трансмиттер данных SECU-3 в протокол OBD • Аппаратное обеспечение. SECU-3.org. Дата обращения: 24 июня 2018.
Ссылки
- secu-3.org (рус.) — официальный сайт проекта SECU-3
- История разработки блоков SECU-3 Архивная копия от 4 декабря 2018 на Wayback Machine
