Гидравлический разгонщик

Гидравлический разгонщик (рельсоразгонщик, путеразгонщик)— путевой инструмент для регулировки (разгонки) зазоров в рельсовых стыках. Применяется на железнодорожном транспорте при строительстве, ремонте и текущем содержании железнодорожного пути.
История появления
Первые отечественные путеразгонщики были применены в 1960-е годы.
На данный момент разгонщики гидравлического типа полностью вытеснили разгонщики зазоров ударного действия. Также, на железнодорожных путях иногда можно встретить в работе винтовые разгонщики зазоров.
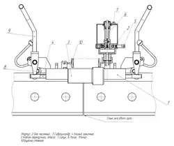
Принцип работы

Гидравлические разгонщики используются на железной дороге для корректировки стыковых зазоров между рельсами, которые нарушаются вследствие угона пути.
Действие путеразгонщика основано на передаче распорного усилия, создаваемого в гидроцилиндре, на клиново-зажимные устройства, которые закрепляются на торцах соседних рельсов. При подаче масла ручным гидронасосом в гидроцилиндры происходит перемещение штоков, воздействующих на рельсы через клиновые зажимы. В исходное положение поршни возвращаются под действием пружин.
Разгонщик устанавливают на рельсы так, чтобы стык двух рельсов находился на равном расстоянии от корпусов прибора. Рукоятки управления разводят в противоположные стороны, и прибор своими корпусами ложится на рельсы. Шток спускного клапана поворачивают по часовой стрелке. При качании рукояток насоса масло из резервуара поступает в распорные цилиндры. В них создается давление, под действие которого корпуса прибора, зажимая клиньями головки рельсов, начинают раздвигаться, увеличивая зазор в стыке до требуемой величины.
Технические параметры
- максимальное усилие разгонки — 25-26 тс
- ход поршня — 100-150 миллиметров
- масса — 55-65 килограммов
Литература
- Путеразгонщик // Железнодорожный транспорт: энциклопедия / гл. ред. Н. С. Конарев. — М.: Большая российская энциклопедия, 1994. — С. 349-350. — ISBN 5-85270-115-7.
- Эксплуатация гидравлических разгоночных приборов, уход и ремонт // Путевые механизмы и инструменты / Муравьев И. В., Огарь Ю. С. - М.: Транспорт, 1972. - С. 321