Дифференциальный усилитель

Дифференциа́льный усили́тель — электронный усилитель с двумя входами, выходной сигнал которого равен разности входных напряжений, умноженной на константу. Применяется в случаях, когда необходимо выделить небольшую разность напряжений на фоне значительной синфазной составляющей.
Выходной сигнал дифференциального усилителя может быть как однофазным, так и дифференциальным. Это определяется схемотехникой выходного каскада.
Транзисторы дифференциального усилителя могут быть биполярными, полевыми или баллистическими. Наиболее высокочастотными (ТГц диапазон) являются дифференциальные усилители на интегральной паре баллистических транзисторов[1][2].
Дифференциальный усилитель


Для предварительного усиления слабого дифференциального сигнала в прецизионных системах от усилителя требуются высокая точность коэффициента усиления и во многих случаях также большое входное сопротивление. Точность коэффициента усиления обычно обеспечивают введением глубокой отрицательной обратной связи, охватывающей операционный усилитель (ОУ).
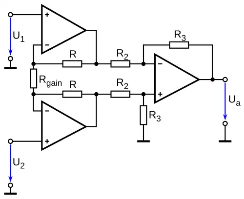
Однако дифференциальный усилитель на одном ОУ не может иметь высокое входное сопротивление, превышающее нескольких мегаом, поэтому для устранения этого недостатка часто применяют схему, аналогичную изображённой на рисунке 3. Здесь пара напряжений подаётся на неинвертирующие входы двух ОУ, не включенные в контур обратной связи, и собственное входное сопротивление прецизионных операционных усилителей, являющееся входными сопротивлениями такого дифференциального усилителя, может превышать значение в нескольких сотен мегаом. Такую схему часто называют инструментальный усилитель.
Инструментальные дифференциальные усилители применяются для точного измерения напряжения диагонали электронного моста и других датчиков с малым выходным импедансом.
Промышленностью выпускаются готовые микросхемы, содержащие приведённую схему инструментального усилителя, с дополнительными возможностями по настройке коэффициента усиления, фильтрации шумов и частотной коррекции.
Применение
Дифференциальный усилитель необходим в случаях, когда информацию несёт не абсолютное значение напряжения в некоторой точке (относительно уровня заземления), а разность напряжений между двумя точками. Характерным примером является резистивный датчик тока, включённый последовательно с некоторой цепью ток которой необходимо контролировать.
Дифференциальные усилители всегда используются, когда присутствие синфазных помех в сигнале недопустимо его исказят. Например, при измерении электрических напряжений, измеряемых между определёнными точками живого организма, это: при снятии электрокардиограммы, электроэнцефалографии и других подобных методах исследования.
Для дополнительного подавления помех также используются специальные проводные линии передачи сигналов, например, экранированная двухпроводную линию для передачи сигнала с микрофона (применяется, например, в линиях с разъёмом XLR).
Также:
- Дифференциальные усилители применяется в цифровых микросхемах с эмиттерно-связанной логикой (ЭСЛ), начавших применяться с 1960-х годов.
- Дифференциальный усилитель применяется в эмиттерно-связанных триггерах Шмитта.
- Дифференциальный усилитель применяется в аналоговом перемножителе напряжений — в ячейке Гилберта.
См. также
Примечания
- ↑ CMOS Emerging Technology Workshop 2007. Ballistic Transistor Technology — Next Paradigm in IC Design. Martin Margala1, and Quentin Diduck2. 1 University of Massachusetts Lowell. 2 Cornell University http://www.cmoset.com/uploads/12.4.pdf Архивная копия от 23 сентября 2020 на Wayback Machine
- ↑ Radical 'ballistic computing' chip bounces electrons like billiards. University of Rochester. Дата обращения: 1 января 2012. Архивировано 17 августа 2012 года.
Ссылки
- 3.2. Дифференциальный усилитель http://riostat.ru/elektron_sistem/2-7-2.php
- 3.14.1. Дифференциальные усилители https://web.archive.org/web/20120508065006/http://kurs.ido.tpu.ru/courses/osn_elec/chapter_3/glv_3_page_14.html
- Работа 4.1 Дифференциальные усилители на биполярных транзисторах http://ikit.edu.sfu-kras.ru/drupal/content/rab41 (недоступная+ссылка)
- 4. ДИФФЕРЕНЦИАЛЬНЫЕ УСИЛИТЕЛИ https://web.archive.org/web/20130328183903/http://fos.ru/radio/8880.html
.svg.png)
