Дифференциальный каскад

Дифференциальный каскад[1], также дифференциальный усилитель[2][3], балансный каскад, параллельно-балансный каскад[1], каскад с катодными связями или каскад с эмиттерными связями[4] — электронный усилительный каскад, образуемый симметричным включением двух схем с общим эмиттером, общим истоком или общим катодом. Эмиттеры (истоки, катоды) дифференциальной пары активных приборов соединены и подключены к общему источнику стабильного тока. Выходными сигналами каскада служат непосредственно токи двух коллекторов (стоков, анодов) или напряжения на подключённых к ним нагрузкам. Идеальный дифференциальный каскад усиливает только напряжение, приложенное между его входам (дифференциальный сигнал), и не реагирует на общую составляющую входных напряжений (синфазный сигнал) — таким образом каскад подавляет усиление внешней электромагнитной помехи, действующей на оба входа одновременно.
Дифференциальный каскад не является единственно возможной схемой дифференциального усилителя. Входным каскадом дифференциального усилителя может служить, например, обычный или двухтактный эмиттерный повторитель, управляемый одновременно по входу и по выходу. Однако только дифференциальный каскад обеспечивает симметрию инвертирующего и неинвертирующего входов, минимально возможное напряжение смещения между входами, и при этом намного более линеен, чем однотактные транзисторные каскады[5][6]. Это основная схема усилителя постоянного напряжения, подключаемая к источнику сигнала непосредственно, без разделительных конденсаторов и трансформаторов[7]. Добавление внешнего каскада усиления и сдвига уровня превращает её в простейший операционный усилитель, добавление эмиттерного повторителя — в прецизионный повторитель напряжения. На основе дифференциального каскада строятся компараторы, умножители напряжения, модуляторы и демодуляторы, быстродействующие микросхемы эмиттерно-связанной логики[7].
Историческая справка

В начале 1930-х годов конструкторам электрофизиологических медицинских приборов потребовались бестрансформаторные, высокочувствительные[комм. 1] дифференциальные усилители постоянного напряжения и инфразвуковых частот, способные эффективно подавлять синфазные помехи[10]. Единственным средством преобразования дифференциального, или балансного, электрического сигнала в однофазный в то время был разделительный трансформатор. Трансформаторы надёжны, не требуют внешнего питания, хорошо подавляют синфазные помехи, но принципиально не способны передавать со входа на выход постоянный ток, и практически непригодны для передачи инфразвуковых частот, характерных для биологических сигналов — электрокардиограмм и электроэнцефалограмм[10]. Решение задачи — бестрансформаторный дифференциальный каскад — разрабатывалось одновременно многими конструкторами в течение 1930-х годов[10].
В 1934 году Брайан Мэтьюз изобрёл «биологический усилитель» на паре вакуумных триодов; его устройство хорошо усиливало дифференциальные сигналы, но плохо подавляло синфазные помехи[10]. В 1936 году Алан Блюмлейн запатентовал дифференциальный каскад с общим катодным резистором, предназначенный для усиления видеосигнала[10]; именно Блюмлейн дал дифференциальному каскаду его английское имя long-tailed pair (буквально «пара [триодов] с длинным хвостом» [катодным резистором]). В 1937 году, независимо от Блюмлейна, Франклин Оффнер изобрёл аналогичную схему и дополнил её цепью обратной связи, подавлявшей усиление синфазного сигнала, а Отто Шмитт предложил дифференциальный каскад на пентодах[10] и опубликовал развёрнутое описание триггера Шмитта — нелинейного элемента на базе дифференциального каскада[11]. Схемы Блюмлейна, Оффнера и Шмитта не были способны усиливать постоянное напряжение; первый полноценный дифференциальный усилитель постоянного тока с биполярным питанием и высоким сопротивлением общего катодного резистора предложил в 1938 году Ян-Фридрих Тённис[10][12]. В том же году Отто Шмитт описал особенности применения дифференциального каскада в качестве фазоинвертора; в 1941 году Шмитт опубликовал развёрнутый анализ схемы и предложил её вариант с двумя источниками тока (катодными резисторами)[13][комм. 2]. Во время Второй мировой войны дифференциальный каскад начали применять в логических схемах и аналоговых счётно-решающих устройствах военного назначения[14]; к концу 1940-х годов теория и способы расчёта дифференциальных каскадов на вакуумных лампах были полностью сформированы[15].
Принцип действия. Основные характеристики
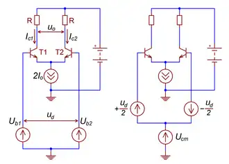
Два идентичных транзистора или триода дифференциальной пары питаются общим током [комм. 3], заданным внешним источником — в его роли может выступать активный источник тока либо резистор достаточно большого сопротивления.
Если на входы дифференциальной пары подано одно и то же управляющее напряжение [комм. 4], называемое синфазным, то выходные коллекторные токи обоих плеч равны [комм. 5]. Равенство сохраняется при любых значениях синфазного напряжения, при которых оба транзистора действуют в активном режиме[16]. В идеальном каскаде крутизна преобразования синфазного напряжения в токи двух плеч (для каскадов с токовыми выходами) и коэффициент усиления синфазного напряжения (для каскадов усиления напряжения) точно равны нулю[16]. В реальных каскадах внутреннее сопротивление общего источника тока порождает незначительное усиление (точнее, прохождение или просачивание) синфазного сигнала, с коэффициентом усиления от −10−4 до −1[16].
Если напряжения на базах транзисторов не равны, то есть на общее синфазное напряжение накладывается дифференциальная составляющая , то общий ток перераспределяется между транзисторами. Тот из них, на базу которого подано бо́льшее управляющее напряжение (с учётом полярности транзисторов), перехватывает бо́льшую часть общего тока[16]. При малых значениях каскад является высоколинейным управляемым источником тока — преобразователем дифференциального напряжения в ток с крутизной преобразования , точно равной крутизне характеристики каждого транзистора в выбранной рабочей точке :
- ;
- ;
- ;
- .
Если бы крутизна преобразования напряжения в ток была постоянной, то при один из транзисторов перехватил бы 100 % общего тока, а другой бы закрылся. На границах области линейного усиления, называемой апертурой ограничения (), происходил бы резкий переход к амплитудному ограничению (клиппингу) сигнала[18]. В реальных усилительных приборах крутизна не остаётся неизменной, поэтому переход от усиления к ограничению сигнала — если не сказываются внешние факторы, вызывающие преждевременную перегрузку — происходит плавно. Характер этого перехода зависит от типа применённых приборов и от принятых мер по линеаризации передаточной характеристики.
Для превращения управляемого источника тока в усилитель напряжения достаточно включить в коллекторные (стоковые, анодные) цепи дифференциальной пары нагрузку — ею в простейшем случае служат сопротивления. Изменения напряжений на коллекторах всегда противоположны (инверсны) изменениям токов. Коэффициент усиления дифференциального напряжения каскада на биполярных транзисторах с резистивной нагрузкой составляет от −10 до −100 (20…40 дБ); активная нагрузка на токовом зеркале позволяет увеличить до −1000 (40…60 дБ)[16]. Отношение дифференциального коэффициента усиления к синфазному называется коэффициентом ослабления синфазного напряжения[16]. В идеальных каскадах это бесконечно большая величина, а в реальных устройствах на биполярных транзисторах составляет от 1000 до 100000 (60…100 дБ)[19].
Транзисторы реальных усилителей не идентичны, что неизбежно порождает разбаланс двух плеч дифференциальной пары[20]. Если разбаланс нескомпенсирован, то передаточные характеристики каскада сдвигаются влево или вправо, а коэффициент усиления дифференциального сигнала незначительно снижается[20]. Степень разбаланса характеризуется напряжением смещения , которое нужно приложить между двумя входами, чтобы уравнять токи, протекающие через левое и правое плечо каскада. В прецизионных интегральных схемах разработки XXI века составляет примерно 200 мкВ для биполярных транзисторов[21][комм. 6], и примерно 2 мВ для МДП-транзисторов[21].
Главная особенность дифференциального каскада, отличающая его от иных базовых каскадов усиления — независимость режима работы транзисторов (рабочей точки) от напряжения синфазного сигнала. Рабочая точка задаётся только источником тока, и остаётся неизменной в широком интервале [19]. Дифференциальный каскад не требует особых мер по согласованию с предшествующими и последующими каскадами — это надёжный усилитель постоянного тока, не нуждающийся в разделительных конденсаторах или трансформаторах[19]. Кроме того, дифференциальный каскад мало чувствителен к изменению температуры транзисторов: он подавляет температурный дрейф так же, как и синфазные сигналы[19]. По той же причине в интегральных схемах подавляется технологический разброс параметров (как правило, он влияет на рядом расположенные транзисторы и сопротивления в равной мере, не нарушая симметрию схемы)[19].
Передаточная характеристика
Каскад на биполярных транзисторах
В активном режиме эмиттерный ток биполярного транзистора и управляющее им напряжение база-эмиттер связаны экспоненциальной зависимостью[комм. 7], а крутизна характеристики транзистора прямо пропорциональна току эмиттера и обратно пропорциональна абсолютной температуре:
- , где — температурный потенциал, прямо пропорциональный абсолютной температуре, и составляющий примерно 26 мВ при 300 К[27][28].
При подаче на базы транзисторов небольшого дифференциального напряжения выходные токи перераспределяются в экспоненциальной пропорции:
Решение системы уравнений описывается функцией гиперболического тангенса[31][30]. Если пренебречь ответвлением части эмиттерных токов в базы транзисторов[комм. 8]:
- ;
- [31].
В области малых (несколько мВ) входных синфазных напряжений зависимость практически линейная:
- ;
- , , где — падение постоянного напряжения покоя на каждом из двух нагрузочных сопротивлений. Теоретический предел (μ), пропорциональный напряжению Эрли, равен примерно 4000[33];
- [23][34][30].
С ростом крутизна плавно спадает, а коэффициент нелинейных искажений (КНИ), спектр которых состоит исключительно из нечётных гармоник, нарастает пропорционально квадрату и достигает 1 % при , или примерно 18 мВ (для сравнения, в каскаде с общим эмиттером КНИ достигает 1 % при входном напряжении менее 1 мВ)[5]. Апертура ограничения по входу составляет , или примерно ±50 мВ; она зависит только от температуры и не зависит от свойств применённых транзисторов[18][комм. 9]. В пределах апертуры входное сопротивление каскада , где — коэффициент усиления базового тока[35][36]. За пределами апертуры передаточная характеристика уплощается, а коэффициент усиления резко спадает[23]. Входной ток принимает прямоугольную форму; его амплитуда стабилизируется, а нелинейное входное сопротивление начинает возрастать пропорционально [35]. Примерно при (± 125 мВ) наступает перегрузка: один из двух транзисторов перехватывает более 99 % общего тока, а другой закрывается[23].
В реальном каскаде, нагруженном на сопротивления, перегрузка наступает при намного меньших входных напряжениях, порядка [26]. Причина этого — в преждевременном переходе транзисторов в режимы насыщения и отсечки из-за падения напряжения на нагрузках[26]. В каскадах с активными нагрузками может быть столь велик, что перегрузка наступает при всего в несколько мВ и имеет характер резкого, внезапного клиппинга[5].
Каскад на МДП-транзисторах
В режиме насыщения ток через канал МДП-транзистора слабо зависит от напряжения сток-исток и пропорционален не экспоненте, а квадрату управляющего напряжения (разницы между напряжением затвор-исток и пороговым напряжением ). Если пренебречь эффектом Эрли, то
- , где — удельная крутизна, характеризующая конкретный транзистор[38].
При малых входных напряжениях дифференциальный каскад работает в линейном режиме; его разностный выходной ток описывается формулой
При один из транзисторов закрывается и каскад переходит в режим ограничителя амплитуды[25].
Передаточные характеристики каскада на МДП-транзисторах подобны характеристикам каскада на биполярных транзисторах с неглубокой локальной ООС: длительный участок линейного преобразования напряжения в ток завершается плавными переходами в режим ограничения[37]. Принципиальное же отличие каскада на МДП-транзисторах от биполярного в том, что его передаточная характеристика и апертура по входу определяются характеристиками применённых приборов[25]. Чем меньше удельная крутизна транзисторов, тем меньше крутизна передаточной характеристики каскада, тем шире его апертура по входному сигналу и тем меньше нелинейные искажения при данном входном напряжении[37].
Каскад на триодах
Вакуумные триоды, как и маломощные МДП-транзисторы, характеризуются относительно низкой (порядка единиц, редко десятков мA/В) крутизной характеристики. Внутреннее сопротивление триода, в отличие от транзисторов любых типов, относительно мало; оно вносит локальную обратную связь и линеаризует передаточную характеристику каскада[39]. В области отрицательных сеточных напряжений ток анода, в первом приближении, рассчитывается по закону трёх вторых, а крутизна характеристики триода пропорциональна квадратному корню из эффективного управляющего напряжения:
- , где , — напряжения анод-катод и сетка-катод, — коэффициент усиления триода[40].
В XXI веке типичное применение дифференциального каскада на вакуумных триодах — фазоинверторы двухтактных гитарных усилителей[41]. Напряжения сигнала на входе каскада измеряются единицами В, на выходе — десятками В. Апертура по входу и выходу и уровень нелинейных искажений сильно зависят от выбранного типа ламп, и отчасти от выбора их рабочих точек. Коэффициент нелинейных искажений не поддаётся расчёту — его можно определить лишь опытным путём[41]. Предпочтительны лампы с высоким коэффициентом усиления и высокой крутизной ; лампы с высоким , но низкой крутизной (12AX7 и аналоги) нежелательны, так как уровень вносимых ими искажений может быть чрезмерным даже для гитарного усилителя[41]. Коэффициент усиления дифференциального сигнала составляет для каждого из двух выходов
- ,
где — сопротивление анодной нагрузки, — внутреннее сопротивление триода в выбранной рабочей точке[42]. Эта величина ровно вдвое меньше коэффициента усиления каскада с общим катодом при тех же значениях и . Неизбежное прохождение синфазного сигнала увеличивает амплитуду напряжения на инвертирующем выходе и уменьшает амплитуду на неинвертирующем выходе фазоинвертора. Минимально возможный коэффициент усиления синфазного сигнала составляет
- , где — внутреннее сопротивление общего источника тока[43], а максимальный коэффициент ослабления синфазного сигнала [44][45] (порядка 60 дБ[46]).
На практике точные значения коэффициентов не поддаются исчислению, а теоретические значения и не достижимы; без особых усилий можно добиться порядка 40 дБ[44][46].
Частотная характеристика
Логарифмические АЧХ типичных каскадов[47]
частоте единичного дифференциального усиления
Приведённые выше формулы и оценки справедливы лишь на низких частотах[48]. На практике частотная характеристика коэффициента дифференциального усиления достаточно точно аппроксимируется фильтром нижних частот первого порядка c постоянной времени , складывающейся из двух частей:
- , где — модуль коэффициента усиления постоянного напряжения с учётом потерь на внутреннем сопротивлении источника сигнала [49][49]. В первой части () сгруппированы составляющие постоянной времени, не зависящие от выбранного коэффициента усиления, во второй () — составляющие, пропорциональные ему[49].
В простейшем симметричном каскаде, нагруженном на сопротивления, постоянные времени рассчитываются по тем же формулам, что и постоянные времени каскада с общим эмиттером,
- [50],
- [51], где — проходная ёмкость транзистора и ёмкость нагрузки, и — коэффициент усиления тока базы и динамическое сопротивление базы транзистора[51],
или каскада с общим истоком[49]:
- ,
- [50], где — ёмкости затвор-исток, затвор-сток, сток-подложка модели первого уровня, и ёмкость нагрузки[52].
В распространённом на практике случае , а [49]. При этом граничная частота среза обратно пропорциональна , а произведение коэффициента усиления на ширину полосы пропускания постоянно и равно частоте единичного усиления: независимо от величин сопротивлений и токов, определяющих коэффициент усиления на нижних частотах[49]. Уменьшение или увеличение сопротивлений нагрузки сдвигают частоту среза вниз или вверх, но положение наклонной ветви АЧХ остаётся неизменным[49].
АЧХ коэффициента усиления синфазного напряжения имеет более сложный характер, так как в модели каскада возникает частотнозависимая обратная связь[53]; в зависимости от её относительной эффективности может и возрастать с частотой, и спадать[54]. Для каскада, нагруженного на сопротивления, характерен первый вариант: на нижних частотах возрастает и затем, достигнув частоты среза , стабилизируется; на высоких частотах, вплоть до частоты единичного усиления дифференциального сигнала, спадает, причём его величина вдвое превосходит [55]. В сложных каскадах c особо высоким на низких частотах возрастание не наблюдается[55].
Схемотехника
Коммутация входов и выходов
Дифференциальный каскад может работать как в симметричном, так и в несимметричном режиме по входу, когда управляющее напряжение подаётся только на один из входов, а другой вход заземлён[19]. Такой каскад преобразует несимметричный входной сигнал в два противофазных, примерно равной амплитуды[19]. Баланс амплитуд двух плеч тем лучше, чем выше коэффициент ослабления синфазного сигнала; последний в несимметричном режиме составляет половину полезного (дифференциального) входного сигнала[19].
Несимметричная нагрузка может подключаться к любому из двух плеч каскада, при этом коэффициент усиления уменьшается вдвое по сравнению с симметричным выходом[29]. В схемах с несимметричным входом и несимметричным выходом предпочтительнее неинвертирующее включение, в котором коллектор входного транзистора заземлён по переменному току, и потому отсутствует эффект Миллера[29]. Исторически такой каскад рассматривался и как дифференциальный, и как каскад с эмиттерной связью — двухкаскадный усилитель, входной транзистор которого работает в режиме с общим коллектором, а выходной — в режиме с общей базой[4]. В реальных схемах, по соображениям простоты сопряжения с последующими каскадами, конструкторы часто выбирают менее совершенный инвертирующий вариант. Именно он используется в модифицированной топологии Лина, по которой строится абсолютной большинство линейных[комм. 11] транзисторных усилителей мощности звуковой частоты[56].
Линеаризация дифференциальной пары с помощью локальной обратной связи
Для уменьшения искажений, расширения апертуры и балансировки плеч в биполярную дифференциальную пару вводится локальная отрицательная обратная связь (ООС) по току[57][20][58]. Две её конфигурации — с двумя эмиттерными резисторами («соединение звездой»), либо с одним эмиттерным резистором и двумя источниками тока («соединение треугольником»), — эквивалентны[57] за единственным исключением: в каскаде с симметричным выходом схема «треугольником» проигрывает схеме «звездой» по шумам[59]. Эффективность ООС характеризуется её коэффициентом
Максимальная крутизна передаточной характеристики (или коэффициент усиления) каскада уменьшается в раз, при этом область высоколинейного усиления с практическим неизменной крутизной расширяется; пик на графике превращается в плоское плато[57][58]. В этой линейной области коэффициент нелинейных искажений при том же снижается пропорционально кубу коэффициента ООС, а коэффициент нелинейных искажений при том же выходном дифференциальном токе — пропорционально его квадрату[60]. Коэффициент усиления синфазного напряжения изменяется слабо, поэтому ухудшается в раз[61]. Другой недостаток локальной ООС в дифференциальном каскаде — повышенный уровень шума из-за тепловых шумов эмиттерных сопротивлений, включённых последовательно с источником входного напряжения[59]. На практике допустимую величину ограничивают именно требования к шумам каскада[59]. Наконец, чем больше , тем резче наступление перегрузки при выходе за пределы линейной области, что вообще типично для устройств, линеаризованных с помощью ООС[62].
Линеаризация каскада на МДП-транзисторах с помощью локальной обратной связи возможна и эффективна с точки зрения снижения нелинейных искажений[63]. Однако, чтобы обеспечить ту же апертуру по входному сигналу, каскад с истоковыми резисторами должен использовать гораздо бо́льшие транзисторы, а его полоса пропускания неизбежно сузится из-за многократно бо́льших паразитных ёмкостей[63].
Линеаризация каскада с помощью асимметричных дифференциальных пар

Альтернативный способ линеаризации каскада, не ухудшающий отношение сигнал-шум, применяется в биполярной интегральной схемотехнике[61]. Усовершенствованный каскад состоит из двух параллельно включённых дифференциальных пар, в каждой из которых площади эмиттерных переходов транзисторов различаются в 4 раза[64]. При таком соотношении площадей третьи гармоники выходного тока, генерируемые двумя парами, взаимно подавляют друг друга[64][комм. 13] . По сравнению с обычным дифференциальным каскадом, потребляющим от источника питания тот же ток , усовершенствованный каскад отличается
- в полтора раза меньшим коэффициентом усиления дифференциального напряжения[64],
- втрое бо́льшим диапазоном входных напряжений, при которых коэффициент нелинейных искажений не превосходит 1 %[64],
- в полтора раза худшим абсолютным напряжением шумов, приведённым ко входу каскада — что, с учётом трёхкратного расширения апертуры, означает улучшение отношения сигнал-шум на 6 дБ[65].
Повышение коэффициента усиления дифференциального сигнала. Активные коллекторные нагрузки
Дифференциальный каскад с активной нагрузкой
A: каскад, нагруженный на сопротивление
B: на простое токовое зеркало
C: на каскодное зеркало
D: на каскодное зеркало через изолирующий каскод
Простейший преобразователь выходного тока в напряжение — резистор в коллекторной цепи — не идеален. Малые нагрузочные сопротивления обеспечивают широкий диапазон входных синфазных напряжений при низком коэффициенте усиления; большие сопротивления позволяют довести до примерно 40 дБ ценой сужения диапазона синфазных напряжений[16][67][68]. Для радикального увеличения при сохранении широкого диапазона синфазных напряжений необходимо заменить резисторы на высокоомную активную нагрузку[67]:
- в каскаде с симметричным (парафазным) выходом — на два идентичных источника тока [67],
- в каскаде с несимметричным выходом — на токовое зеркало (схема B)[69].
В обоих случаях каскад превращается в генератор разностного тока , который направляется в высокоомную внешнюю цепь, при этом напряжения покоя на коллекторах или стоках дифференциальной пары не определены[70][68]. Чтобы избежать «залипания» каскада в одном из двух крайних положений, его рабочая точка устанавливается принудительно — петлёй глобальной обратной связи, цепью автоматического регулирования тока эмиттеров дифференциальной пары[71] или тока активной нагрузки[72].
Предельный малосигнальный коэффициент усиления каскадов с активными нагрузками ограничен сверху эффектом Эрли. Для биполярного каскада с простым токовым зеркалом
- , где — выходные сопротивления транзисторов, — их напряжения Эрли[73][74][75].
Для типичных напряжений Эрли в 50…100 В биполярного каскада равен примерно −1000, или 60 дБ[76]. В каскадах на полевых транзисторах действует то же общее правило, но пропорционально меньше из-за меньших значений крутизны:
Замена простого токового зеркала на каскодное зеркало (схема C) подавляет эффект Эрли в транзисторах зеркала (но не в дифференциальной паре) и позволяет примерно удвоить [77]. Для дальнейшего повышения необходимо подавить эффект Эрли дифференциальной пары, зафиксировав каскодами напряжения на её коллекторах (схема D). При этом в биполярных каскадах возрастает ещё примерно в раз[78], до примерно 90…100 дБ[79][80]; в каскодных МДП-структурах достигаются значения от 50 до 80 дБ[79]. Недостаток всех каскодных схем — сужение диапазона синфазных входных напряжений, достоинство — возможность применения высококачественных низковольтных транзисторов в схемах со значительным падением напряжения между входом и выходом дифференциального каскада[81]. Каскод — непременная часть дифференциальных каскадов операционных усилителей с входными супербета-транзисторами и усилителей мощности с входными полевыми транзисторам[81].
Применение простых или каскодных токовых зеркал увеличивает только на постоянном токе и в области низших частот; из-за дополнительных ёмкостей транзисторов частота единичного усиления усложнённых каскадов оказывается несколько ниже, чем в простейшей схеме на сопротивлениях[82]. Увеличение в области высоких частот происходит лишь в схеме с токовым зеркалом и каскодной дифференциальной парой (схема D)[66].
Подавление усиления синфазного сигнала. Активные источники эмиттерного тока
Типичным примером синфазного сигнала являются электромагнитные помехи (наводки), действующие в равной мере на оба входа усилителя[83]. Мерой помехоустойчивости усилителя к внешним помехам служит коэффициент ослабления синфазного сигнала [83], а его уменьшение является первостепенной целью конструкторов[84]. Величина трудно поддаётся точному расчёту, так как зависит от выбора рабочей точки, от степени асимметрии дифференциальной пары, от температуры и так далее[85]. Если пренебречь явлениями второго порядка, то для простейшего дифференциального каскада, нагруженного на сопротивления и питающегося от источника общего эмиттерного тока с внутренним сопротивлением ,
В каскаде, нагруженном на источники тока, предельный в 2 раза меньше[73], в каскаде, нагруженном на каскодные источники тока — в 20…200 раз меньше[88]. Во всех вариантах главным способом увеличения является увеличение [85] (увеличение крутизны всегда сопряжено с ростом энергозатрат, и потому возможно лишь в узких пределах). Установка тока резистором допустима в схемах с постоянным синфазным напряжением, которое и определяет рабочую точку дифференциальной пары, а во всех иных случаях необходим активный источник тока[89]. Внутреннее сопротивление простого источника тока пропорционально напряжению Эрли применённого транзистора:
поэтому в первом приближении каскада с активным источником общего тока эмиттеров зависит только от напряжения Эрли и абсолютной температуры, и не зависит от выбора рабочей точки[90]:
- [90],
то есть для типичных напряжений Эрли в 50…100 В[76] верхний предел каскада, нагруженного на сопротивления, составляет 60…66 дБ[91]. Простейший способ увеличить — включение в эмиттерную цепь источника тока дополнительного сопротивления. Мерой эффективности такой локальной ООС служит падение напряжения на дополнительном сопротивлении: если оно составляет , или 250 мВ, расчётный возрастает в 11 раз, или на 21 дБ, и так далее[92].
Особый, отличный от вышеперечисленных конфигураций случай — дифференциальный каскад, нагруженный на токовое зеркало[78]. В идеальном каскаде такого рода, благодаря вычитанию синфазных токовых составляющих двух плеч, синфазный сигнал вообще не проходит на выход, а теоретический бесконечно велик[78]; на практике же достижимы значения свыше 100 дБ[93].
Температурная стабилизация коэффициента усиления
С ростом абсолютной температуры апертура ограничения транзисторного каскада расширяется, а коэффициент усиления снижается, что усложняет задачу проектирования устойчивых цепей обратной связи[94]. Для нейтрализации этих явлений следует корректировать общий ток каскада таким образом, чтобы стабилизировать коэффициент усиления[94]. В биполярных интегральных схемах для этого достаточно использовать источник тока, пропорционального абсолютной температуре дифференциальной пары[94][30].
Термостабилизация каскадов на МДП-транзисторах сложнее, так как характер зависимости их крутизны от температуры меняться в зависимости от выбранного режима[94]. В режиме слабой инверсии коэффициент усиления стабилизируется так же, как и в биполярных схемах — источником тока, пропорциональным абсолютной температуре[94]. В режиме сильной инверсии единственный надёжный способ стабилизации — слежение за коэффициентом усиления второй, образцовой, дифференциальной пары[94].
Расширение диапазона синфазных входных напряжений

В аналоговой и аналого-цифровой схемотехнике XXI века преобладают устройства, питающиеся от однополярных источников относительно небольшого положительного напряжения (например, от напряжения +5В, поступающего по шине USB)[95][65]. В таких устройствах диапазон синфазных напряжений, обрабатываемых дифференциальными усилителями, неизбежно охватывает отрицательную шину питания, выполняющую функцию сигнальной земли[96]. Это требование легко выполняется в дифференциальных парах, нагруженных на относительно низкие сопротивления или простые источники тока[97]. В зависимости от типа применённых приборов, предельно допустимый диапазон синфазных напряжений составляет
- от примерно −0,2…−0,3 В до уровня на 1…2 В ниже напряжения питания — для дифференциальных пар pnp-транзисторов или n-канальных полевых транзисторах с p-n-переходами[98][99][100];
- от примерно +1…+2 В до уровня, превышающего напряжение питание на 0,2…0,3 В — для дифференциальных пар npn-транзисторов или p-канальных полевых транзисторах с p-n-переходами[98][99][100].
Биполярные пары такого рода сопрягаются с последующими каскадами через смещённые, или свёрнутые, каскоды на транзисторах противоположного типа проводимости[98][97].
Для того, чтобы диапазон синфазных напряжений биполярного каскада охватывал обе шины питания (режим rail-to-rail по входу), необходимы две дифференциальные пары на транзисторах противоположных типов проводимости[101][102][65][103]. Передача управления от одной пары к другой сопровождается повышенными искажениями и изменениями напряжений и токов смещения, поэтому обычно конструкторы выбирают точку переключения вблизи положительной шины питания так, чтобы бо́льшую часть входных напряжений обрабатывала основная (pnp) пара[104][105]. Физически переключение осуществляет цепь управления двумя источниками эмиттерных токов; сумма двух токов поддерживается постоянной во всём диапазоне входных напряжений[106]. В КМОП-схемотехнике возможно реализовать режим rail-to-rail и на единственной дифференциальной паре, используя управление по подложке[107]. В зависимости от уровня синфазного напряжения специализированные p-канальные транзисторы такого каскада работают либо в режиме обеднения, либо в режиме обогащения[107].
Сводная таблица
В таблице[80] приведены сравнения свойств различных конфигураций дифференциальных каскадов на биполярных транзисторах, упорядоченных по возрастанию схемотехнической сложности. Относительные оценки тех же конфигураций на полевых транзисторах совпадают, за исключением коэффициента ослабления синфазного сигнала (в n-канальной схемотехнике его наивысшее значение достигается при сочетании каскодной дифференциальной пары с каскодным токовым зеркалом)[108].
| Схемотехнический вариант | Подключение внешней нагрузки | Коэффициент усиления дифференциального сигнала | Коэффициент ослабления синфазного сигнала | Диапазон допустимых синфазных напряжений | Произведение усиления на полосу пропускания | |
|---|---|---|---|---|---|---|
| Дифференциальная пара | Нагрузка | |||||
| Простая | Сопротивления | Низкий (20...40 дБ[16][комм. 16]) | Высокий | Широкий[комм. 17] | ||
| Простые источники тока | Высокий (40...60 дБ[16]) | Высокий | Широкий | |||
| Каскодные источники тока | Высокий | Низкий | Высокая | |||
| Простое токовое зеркало | Только однополярное | Высокий | Наивысший | Широкий | ||
| Каскодная | Каскодные источники тока | Наивысший | Высокий | Узкий | Высокая | |
| Каскодное токовое зеркало | Только однополярное | Наивысший | Весьма высокий | Узкий | Наивысшая | |
Применение. Производные схемы
Усилители напряжения и мощности
В 1943—1945 годы Лёб Джули, работавший под руководством Джорджа Филбрика над системами управления артиллерийским огнём, сконструировал первый операционный усилитель (ОУ)[комм. 19] с входным каскадом на дифференциальной паре триодов 6SL7[114]. В 1950-е годы Филбрик и его последователи усовершенствовали и коммерциализировали ламповый ОУ[115], а в 1963—1965 годы Боб Видлар разработал первые интегральные ОУ μA702 и μA709, также использовавшие на входе дифференциальную пару npn-транзисторов[116]. В классических универсальных ОУ второго поколения LM101 и μA741 (1967—1968) дифференциальный вход был построен по иной схеме, на pnp-транзисторах в режиме с общей базой[117], а в прецизионных ОУ того же периода (LM108, 1969 и аналоги) применялись дифференциальные пары супербета-транзисторов[118]. В схемотехнике последующих поколений ОУ с обратной связью по напряжению дифференциальный каскад преобладает[119][120] (в ОУ с токовой обратной связью входным каскадом служит двухтактный эмиттерный повторитель[121]).
Применение входных дифференциальных каскадов в транзисторных усилителях мощности звуковой частоты (УМЗЧ) началось довольно поздно, в середине 1960-х годов[122]. Новинка быстро вошла в практику конструкторов. Около 1972 года сложилась ставшая стандартом трёхкаскадная конфигурация, объединившая достоинства дифференциального каскада и известного с 1956 года[123] усилителя Лина[124]. В последующие десятилетия схема «обросла» активными источниками тока, каскодами, токовыми зеркалами, сохранив исходную конфигурацию: дифференциальная пара — каскад усиления напряжения (КУН) в режиме ОЭ — мощный двухтактный эмиттерный повторитель[124]. В конце XX — начале XXI века она абсолютно доминировала в схемотехнике универсальных ОУ, изготовленных по комплементарной биполярной технологии[120], и в схемотехнике дискретных и интегральных УМЗЧ[123][125][56]; по оценкам Дугласа Селфа, к 2002 году ей следовало не менее 99 % выпущенных транзисторных УМЗЧ[56]. В низковольтных и высокочастотных ОУ преобладают дифференциальные каскады со свёрнутыми каскодами[98][126].
В 1980-е конструкторы УМЗЧ, считавшие симметрию принципиальной схемы залогом низких искажений, предложили альтернативную конструкцию с двумя входными ДК на комплементарных биполярных транзисторах[127]. ДК на транзисторах npn-типа управлял каскадом усиления напряжения (КУН) на pnp-транзисторе в режиме ОЭ, ДК на транзисторах pnp-типа — каскадом на npn-транзисторе[124][128]. Выходные сигналы двух КУН совместно управляли общим выходным каскадом[124][128]. В теории подобная конфигурация уменьшает искажения и шумы входного каскада[129]; на практике она создаёт практически неразрешимые задачи одновременной частотной коррекции и одновременной линеаризации двух комплементарных, но неизбежно разных усилителей, охваченных общей петлёй ООС[130]. В импульсной и измерительной технике нашла применение сходная конструкция двухтактного (комплементарного) дифференциального каскада, нагруженного на два свёрнутых каскода[131]. Цель усложнения схемы — выравнивание времён восстановления после перегрузок отрицательными и положительными сигналами (в обычном ДК эти задержки принципиально асимметричны)[131].
Прецизионные повторители напряжения
Базовая трёхтранзисторная конфигурация[комм. 20] повторителя на дифференциальном каскаде образуется последовательным соединением неинвертирующего дифференциального каскада и эмиттерного повторителя, охваченных стопроцентной ООС[135]. Повторитель такого рода может рассматриваться как близкий к идеалу аналог транзистора с нулевым сдвигом напряжения между «базой» и «эмиттером»[136][137]. На практике трёхтранзисторная схема имеет посредственные коэффициент нелинейных искажений[135] и частотные характеристики[137][138]. Нелинейные искажения можно снизить до исчезающе малых значений заменами коллекторной нагрузки на токовое зеркало и эмиттерной нагрузки — на активный источник тока[135]. Расширить частотный диапазон и подавить самовозбуждение можно, заменив транзистор эмиттерного повторителя на транзистор Дарлингтона[137][138]. Первой крупносерийной микросхемой такого рода стала разработанная в середине 1970-х годов LM102[138][137].
В 1980-е годы[комм. 21] конструктор Tektronix Джон Аддис предложил конфигурацию быстродействующего (до 1 ГГц) измерительного дифференциального каскада, «транзисторами» которого служили прецизионные повторители в четырёхтранзисторной, с выходным транзистором Дарлингтона, конфигурации[137][138]. Крутизна характеристики каскада определялась только величиной нихромовых[140] эмиттерных резисторов [137], что гарантировало линейность передаточной характеристики каскада, а для балансировки двух плеч резисторы проходили лазерную подгонку[140]. Идея была воплощена в ИС Tektronix M377[комм. 22], которая произвела революцию в конструировании измерительной техники и стала началом ветви прецизионных микросхем, эволюционировавшей в 1990-е и 2000-е годы[141].
Умножители, модуляторы и демодуляторы
Так как крутизна передаточной характеристики биполярного транзистора прямо пропорциональна току коллектора, то изменение этого тока, обусловленное малым изменением напряжения база-эмиттер , пропорционально произведению на величину тока[144]. Для реализации функции умножения двух аналоговых сигналов достаточно применить дифференциальный каскад с управляемым источником эмиттерного тока: один из сигналов-сомножителей () подаётся на вход дифференциальной пары, другой () модулирует ток [144]. Чтобы подавить прохождение на выход перемножителя, напряжения с коллекторов дифференциальной пары поступают на второй дифференциальный усилитель — в результате синфазные составляющие сигнала, пропорциональные , взаимно уничтожаются, а дифференциальные составляющие, пропорциональные , усиливаются[145]. Допустимый диапазон измеряется единицами мВ, так как из-за нелинейности дифференциальной пары уже при ±9 мВ ошибка умножения достигает 1 %[145]. может принимать и положительные, и отрицательные значения; полярность (положительная или отрицательная) определяется применённой схемой преобразователя в ток[145]. Аналоговые умножители такого рода называются двухквадрантными[145] и применяются и как модуляторы или ключи, управляющие коэффициентом передачи сигнала, и как балансные смесители супергетеродинных приёмников[146], и как синхронные детекторы.
Для реализации четырёхквадрантного умножения, при котором может быть и положительным, и отрицательным, применяется параллельное включение двух базовых умножителей, в которых источники тока управляются противофазными сигналами и [147]. В ламповой импульсной схемотехнике аналогичная «четырёхквадрантная» схема на триодах, реализующая функцию полусумматора, была применена в 1940-е годы конструкторами компьютера Pilot ACE[148]; её линейный транзисторный аналог был изобретён в 1963 году. На практике наибольшее распространение получила предложенная в 1970 году конфигурация с логарифмирующими преобразователями управляющих сигналов, устраняющими температурную зависимость коэффициента усиления[147] — ячейка Гилберта (в радиотехнике — двойной балансный смеситель, смеситель Гилберта[149]). Достижимая на практике точность умножения на низких частотах (до нескольких десятков кГц) составляет, по данным 2008 года, около 0,1 % (ошибка не хуже 10 мВ на 10 В полной выходной шкалы); быстродействующие умножители характеризуются худшей точностью при полосе пропускания в сотни МГц[150][151]. В радиотехнике четырёхквадрантные ячейки применяются в традиционных супергетеродинных смесителях[152], а сдвоенные четырёхквадрантные ячейки — в синхронно-квадратурных смесителях цифровых модуляторов и демодуляторов[153].
Триггер Шмитта
В 1938 году Отто Шмитт опубликовал первое описание триггера Шмитта[154] — двухпорогового, бистабильного нелинейного ключа на дифференциальной паре триодов[155]. В 1950-е годы, появился её вариант на биполярных транзисторах (триггер Шмитта с эмиттерной связью[155]). Благодаря положительной обратной связи посредством делителя напряжения дифференциальный каскад триггера Шмитта приобретает необходимый гистерезис, а при правильном подборе сопротивлений токи, поочерёдно протекающие через оба транзистора, не приводят к насыщению — таким образом достижимы весьма малые задержки срабатывания[156]. Однако на практике подбор чрезвычайно сложен из-за взаимозависимости двух порогов и температурного дрейфа транзисторов; для его упрощения конструкторы 1970-х годов составляли и использовали объёмистые таблицы оптимальных решений[157]. Применяемый в КМОП-логике шеститранзисторный вариант, образуемый двумя дифференциальными парами на транзисторах двух разных типов проводимости, резистивных делителей не имеет — в нём роль нагрузочных сопротивлений выполняют транзисторы, а установка порогов определяется выбором их геометрических размеров[158]. Гибкость в установке порогов, их точность и стабильность обеспечивает лишь прецизионный триггер Шмитта на двух компараторах, управляющих RS-триггером[159].
Эмиттерно-связанная логика
Применение дифференциальных каскадов для переключения тока в импульсных схемах восходит к работам Алана Блюмлейна второй половины 1930-х годов. В 1940-е годы оно развилось в катодно-связанную логику британских ламповых компьютеров[160]. В 1956 году конструктор компьютера IBM 7030 Stretch Хэннон Йорк применил уже известные принципы катодно-связанной логики в полностью транзисторной схеме[161]. Семейство логических схем на связке дифференциальной пары и эмиттерного повторителя, работающей при низком (обычно биполярном) напряжении питания, получило название эмиттерно-связанной логики (ЭСЛ)[162].
Так же, как и катодно-связанная логика, ЭСЛ допускает «вертикальное» каскадирование дифференциальных пар и управляющих ими переключателей токов[163]; выходы логических элементов могут непосредственно объединяться для реализации функций монтажного И[164] или монтажного ИЛИ[165][166]. Низкие величины катодных нагрузок и небольшой абсолютный размах логических уровней не позволяют транзисторам насыщаться, поэтому ЭСЛ традиционно было, и по состоянию на 2003 год оставалось самым быстродействующим логическим семейством[167][162]. Ценой быстродействия было и остаётся самое высокое потребление энергии[162][166]. Альтернативная быстродействующая КМОП-логика проигрывала ЭСЛ в энергопотреблении лишь на самых высоких тактовых частотах; к началу XXI века, по мере совершенствования КМОП-логики, ЭСЛ уступила позиции, сохранив за собой узкие ниши в системах цифровой связи[162].
Комментарии
- ↑ Полезный сигнал датчика ЭКГ имеет амплитуду всего несколько мВ, тогда как помеха, наведённая силовой электрической сетью, достигает амплитуды в 1В[9].
- ↑ Подобная конфигурация катодных резисторов, сама по себе, не была новинкой. В патенте Блюмлейна 1936 года она упоминается как общеизвестное «соединение треугольником» (delta formation), в противовес обычному «соединению звездой»[8]
- ↑ В литературе принято две альтернативные нотации: (а) общий ток , ток каждого транзистора , и (б) общий ток , ток каждого транзистора . Поэтому одни и те же формулы, оперирующие этими показателями, в разных источниках могут различаться. Аналогично, формулы, описывающие выходные параметры, будут различаться в зависимости от того, идёт ли речь о дифференциальном выходе между двумя коллекторами или только об одном из двух коллекторов.
- ↑ В пределах этого раздела индексы (база) и (коллектор) используются только потому, что именно биполярная схема иллюстрирует текст. Содержание же раздела в равной мере относится и к полевым транзисторам, и к лампам; индивидуальные особенности каждого типа приборов описываются в последующих разделах.
- ↑ Знак приблизительного, а не точного, равенства - следствие ненулевых токов баз. Сумма токов эмиттеров точно равна , но сумма токов коллекторов отличается от этой величины на сумму токов баз[17].
- ↑ Для сравнения, в прецизионных биполярных ОУ разработки конца 1970-х годов напряжение смещения составляло примерно 1 мВ, при температурном дрейфе от 0,2 до 2 мкВ/К[22].
- ↑ В активном режиме значительные отклонения от экспоненциальной модели наблюдаются, например, при особо больших токах (точнее, плотностях тока) коллектора и эмиттера, когда более нельзя пренебрегать падением напряжения на омическом сопротивлении кристалла. Дифференциальные каскады в таком режиме не используются.
- ↑ В каскодной схеме таких ответвлений для каждого транзистора будет два, в сложных каскодных схемах - три или четыре. Потеря части эмиттерного тока сама по себе не является проблемой; намного хуже, что её величина сильно зависит от температуры. Это порождает заметный температурный дрейф коэффициента усиления, что неприемлемо в прецизионных измерительных усилителях[32].
- ↑ Здесь и далее рассматриваются исключительно кремниевые транзисторы.
- ↑ Результат моделирования в Microsim для дискретных транзисторов BS170 при токе питания каскада 10 мА, напряжении питания каскада +12В/-12В, и сопротивлений нагрузок 1 кОм. Целью моделирования было графическое представление коэффициента передачи (первой производной передаточной характеристики), который в источнике был описан качественно. Первый график (сама передаточная характеристика) качественно повторяет график источника[37]
- ↑ Не импульсных.
- ↑ Передаточная характеристика каскада без ООС описывается функцией гиперболического тангенса. Передаточная характеристика каскада с ООС не может быть представлена аналитически; её можно лишь измерить инструментально или рассчитать численными методами[57].
- ↑ Из анализа вольт-амперных характеристик следует, что оптимальное соотношение площадей равно . На практике из-за влияния омических сопротивлений переходов, не учитываемых в простейшей модели, оптимальное соотношение несколько выше; в серийном производстве применяется отношение [64].
- ↑ Все показанные приёмы применимы и в каскадах с симметричными выходами, если заменить токовое зеркало на два идентичных источника тока.
- ↑ Точнее, напряжение Эрли является мерой внутреннего сопротивления для заданного тока коллектора.
- ↑ Титце и Шенк оперируют численными значениями, свойственными низковольтным усилителям с напряжением питания 5 В и предельным падением напряжения на нагрузке не более 2,5 В. В этом случае предельный ограничен сверху величиной около 40 дБ; при бо́льших напряжения питания и бо́льших падениях напряжения на нагрузке возможно увеличение и сверх 40 дБ.
- ↑ При низких сопротивлениях нагрузки (и, соответственно, низком коэффициенте усиления)
- ↑ В типичных УНЧ конца XX века входной каскад строился на pnp-транзисторах, чтобы иметь возможность использовать в наиболее критичном втором каскаде (каскаде усиления напряжения, КУН) высококачественные npn-транзисторы.
- ↑ Ранее, в 1941 году, конструктор систем управления огнём Карл Шварцел подал заявку на «суммирующий усилитель», являющийся, вероятно, первым операционным усилителем в истории. Однако усилитель Шварцеля использовал не дифференциальный, а однотактный входной каскад[113].
- ↑ Даже в английском языке эта конфигурация не имеет установившегося собственного имени. Британец Дуглас Селф называет её «схемой Шлётцауэра», англ. Schlotzaur circuit[135]. Американец Джона Аддис писал в 1993 году, что «будучи в неведении по поводу её „официального“ имени», конструкторы Tektronix называли её просто «буфером-повторителем» англ. unity gain buffer, UGB[32].
- ↑ По воспоминаниям Аддиса, проект M377 начался в 1982 году[32], а полное описание её схемотехники было опубликовано в 1988 году[139].
- ↑ M377 содержала на кристалле около 700 транзисторов[139] npn-структуры (и ни одного pnp) — целый входной канал высококачественного осциллографа с полосой пропускания 800 МГц: дифференциальный усилитель, ступенчатый регулятор усиления, плавный регулятор усиления, и два переключаемых фильтра, ограничивавших полосу пропускания[141][142]. Благодаря симметрии схемы и развитому обвесу из диодов Шоттки и источников балластных токов входной усилитель M377 был практически не подвержен тепловому дрейфу и имел рекордно низкое время восстановления после снятия перегрузки. В плате Tektronix на дискретных элементах только для нейтрализации теплового дрейфа использовалось 32 подстроечных резистора[143]; плата канала на M377 содержала всего один подстроечник[141].
Примечания
- 1 2 Степаненко, 1977, с. 439.
- ↑ Титце и Шенк, т.1, 2008, с. 368.
- ↑ Шкритек, 1991, с. 68.
- 1 2 Степаненко, 1977, с. 399—401.
- 1 2 3 Титце и Шенк, т.1, 2008, с. 403.
- ↑ Self, 2002, p. 74.
- 1 2 Титце и Шенк, т.1, 2008, с. 432.
- 1 2 A. D. Blumlein. U. S. Patent 2185367 (British 482,740). Thermionic valve amplifying circuit. U. S. Patent Office (1940). Дата обращения: 8 августа 2019. Архивировано 28 июня 2019 года.
- ↑ Staric and Margan, 2007, p. 3.71.
- 1 2 3 4 5 6 7 Jung, 2005, p. 773.
- ↑ Schmitt, O. A thermionic trigger : [арх. 24 февраля 2019] // J. Sci. Instrum.. — 1938. — Vol. 15, № 1. — P. 24—26.
- ↑ Jung, 2005, p. 774.
- ↑ Jung, 2005, p. 775.
- ↑ Jung, 2005, p. 778.
- ↑ Jung, 2005, p. 780.
- 1 2 3 4 5 6 7 8 9 10 11 Титце и Шенк, т.1, 2008, с. 370.
- ↑ Титце и Шенк, т.1, 2008, с. 369.
- 1 2 Гаврилов, 2016, с. 142.
- 1 2 3 4 5 6 7 8 Титце и Шенк, т.1, 2008, с. 371.
- 1 2 3 Гаврилов, 2016, с. 47.
- 1 2 Huijsing, 2011, p. 63.
- ↑ Полонников, 1983, с. 44.
- 1 2 3 4 Титце и Шенк, т.1, 2008, с. 374.
- 1 2 Wai-Kai Chen, 2003, p. 4—26.
- 1 2 3 4 Титце и Шенк, т.1, 2008, с. 380.
- 1 2 3 Титце и Шенк, т.1, 2008, с. 376.
- ↑ Титце и Шенк, т.1, 2008, с. 61.
- ↑ Wai-Kai Chen, 2003, p. 4—24.
- 1 2 3 Титце и Шенк, т.1, 2008, с. 372.
- 1 2 3 4 Wai-Kai Chen, 2003, p. 4—25.
- 1 2 Титце и Шенк, т.1, 2008, с. 373.
- 1 2 3 Addis, 1993, p. 118.
- ↑ Титце и Шенк, т.1, 2008, с. 565.
- ↑ Шкритек, 1991, с. 68—69.
- 1 2 Гаврилов, 2016, с. 143.
- ↑ Шило, 1979, с. 51.
- 1 2 3 4 Титце и Шенк, т.1, 2008, с. 381.
- ↑ Титце и Шенк, т.1, 2008, с. 379.
- ↑ Батушев, 1969, с. 84.
- ↑ Батушев, 1969, с. 82.
- 1 2 3 Blencowe, M. The AC Coupled Long-Tailed Pair (2010). Дата обращения: 8 августа 2019. Архивировано 10 августа 2019 года.
- ↑ Vogel, 2008, pp. 216—217.
- ↑ Vogel, 2008, pp. 220.
- 1 2 Vogel, 2008, pp. 221.
- ↑ Jones, 2003, p. 131.
- 1 2 Jones, 2003, p. 132.
- ↑ Титце и Шенк, т.1, 2008, с. 423.
- ↑ Титце и Шенк, т.1, 2008, с. 415.
- 1 2 3 4 5 6 7 Титце и Шенк, т.1, 2008, с. 417.
- 1 2 Титце и Шенк, т.1, 2008, с. 418.
- 1 2 Титце и Шенк, т.1, 2008, с. 150.
- ↑ Титце и Шенк, т.1, 2008, с. 242.
- ↑ Титце и Шенк, т.1, 2008, с. 421.
- ↑ Титце и Шенк, т.1, 2008, с. 422.
- 1 2 Титце и Шенк, т.1, 2008, с. 422—423.
- 1 2 3 Self, 2002, p. 32.
- 1 2 3 4 5 Титце и Шенк, т.1, 2008, с. 378.
- 1 2 3 Wai-Kai Chen, 2003, p. 4—36.
- 1 2 3 Шкритек, 1991, с. 70.
- 1 2 Титце и Шенк, т.1, 2008, с. 404.
- 1 2 Wai-Kai Chen, 2003, p. 4—37.
- ↑ Гаврилов, 2016, с. 193—194, 197—198.
- 1 2 Титце и Шенк, т.1, 2008, с. 382.
- 1 2 3 4 5 Wai-Kai Chen, 2003, p. 4—38.
- 1 2 3 Wai-Kai Chen, 2003, p. 4—39.
- 1 2 Титце и Шенк, т.1, 2008, с. 420.
- 1 2 3 Титце и Шенк, т.1, 2008, с. 383.
- 1 2 Wai-Kai Chen, 2003, p. 4—34.
- ↑ Титце и Шенк, т.1, 2008, с. 384.
- ↑ Титце и Шенк, т.1, 2008, с. 411.
- ↑ Титце и Шенк, т.1, 2008, с. 411—414.
- ↑ Wai-Kai Chen, 2003, pp. 4—34 ... 4—35.
- 1 2 Титце и Шенк, т.1, 2008, с. 395.
- 1 2 Титце и Шенк, т.1, 2008, с. 400—401.
- ↑ Wai-Kai Chen, 2003, p. 4—34 … 4-36.
- 1 2 3 Титце и Шенк, т.1, 2008, с. 396.
- ↑ Титце и Шенк, т.1, 2008, с. 397. В приведённом примере из-за выбранных значений напряжений Эрли возрастает не в два, а в три раза..
- 1 2 3 Титце и Шенк, т.1, 2008, с. 401.
- 1 2 Титце и Шенк, т.1, 2008, с. 400.
- 1 2 Титце и Шенк, т.1, 2008, с. 430.
- 1 2 Self, 2002, p. 84.
- ↑ Титце и Шенк, т.1, 2008, с. 419.
- 1 2 Степаненко, 1977, с. 444.
- ↑ Li R. RF Circuit Design. — Wiley, 2014. — P. 10—173. — ISBN 9781118309919.
- 1 2 Степаненко, 1977, с. 445.
- ↑ Титце и Шенк, т.1, 2008, с. 394.
- ↑ Шкритек, 1991, с. 69.
- ↑ Титце и Шенк, т.1, 2008, с. 397.
- ↑ Гаврилов, 2016, с. 48.
- 1 2 3 Wai-Kai Chen, 2003, p. 4—27.
- ↑ Wai-Kai Chen, 2003, p. 4—29 … 4—30.
- ↑ Wai-Kai Chen, 2003, p. 4—30.
- ↑ Титце и Шенк, т.1, 2008, с. 430—431.
- 1 2 3 4 5 6 Huijsing, 2011, p. 67.
- ↑ Jung, 2005, p. 31.
- ↑ Jung, 2005, p. 32.
- 1 2 Титце и Шенк, т.1, 2008, с. 410—411.
- 1 2 3 4 Jung, 2005, p. 40.
- 1 2 Бэйкер, 2010, с. 151.
- 1 2 Wai-Kai Chen, 2003, p. 4—39 (приводятся иные, качественно совпадающие оценки).
- ↑ Jung, 2005, pp. 40—41.
- ↑ Бэйкер, 2010, с. 150.
- ↑ Титце и Шенк, т.1, 2008, с. 562—564.
- ↑ Jung, 2005, pp. 41—42.
- ↑ Бэйкер, 2010, с. 149.
- ↑ Wai-Kai Chen, 2003, p. 4—39 ... 4-40.
- 1 2 Титце и Шенк, т.1, 2008, с. 561—562.
- ↑ Титце и Шенк, т.1, 2008, с. 431.
- ↑ Duncan, 1996, pp. 103.
- ↑ Self, 2002, pp. 59—60.
- ↑ Duncan, 1996, pp. 105—106.
- ↑ Шкритек, 1991, с. 70—71.
- ↑ Jung, 2005, p. 777.
- ↑ Jung, 2005, p. 779.
- ↑ Jung, 2005, pp. 782—783.
- ↑ Jung, 2005, p. 805.
- ↑ Jung, 2005, pp. 806—808.
- ↑ Jung, 2005, pp. 810—813.
- ↑ Jung, 2005, p. 34.
- 1 2 Jung, 2005, p. 102.
- ↑ Jung, 2005, p. 106.
- ↑ Duncan, 1996, p. 99.
- 1 2 Duncan, 1996, p. 96.
- 1 2 3 4 Duncan, 1996, p. 104.
- ↑ Данилов, 2004, с. 56—57.
- ↑ Jung, 2005, p. 103.
- ↑ Duncan, 1996, p. 105.
- 1 2 Self, 2009, pp. 130—131.
- ↑ Self, 2009, p. 131.
- ↑ Self, 2009, p. 133.
- 1 2 Шкритек, 1991, с. 71.
- 1 2 Self, 2002, pp. 79—80.
- ↑ Staric and Margan, 2007, pp. 5.118—5.119.
- ↑ Staric and Margan, 2007, pp. 5.119—5.120.
- 1 2 3 4 Self, 2002, p. 79.
- ↑ Staric and Margan, 2007, p. 5.118.
- 1 2 3 4 5 6 Addis, 1988 № 8, p. 27.
- 1 2 3 4 Staric and Margan, 2007, p. 5.119.
- 1 2 Addis, 1988 № 8, p. 23.
- 1 2 Addis, 1988 № 9, p. 43.
- 1 2 3 Staric and Margan, 2007, p. 5.117.
- ↑ Addis, 1988 № 8, pp. 23, 27.
- ↑ Addis, 1993, p. 117.
- 1 2 Титце и Шенк, т.2, 2008, с. 55.
- 1 2 3 4 Титце и Шенк, т.2, 2008, с. 56.
- ↑ Титце и Шенк, т.2, 2008, с. 784—798.
- 1 2 Титце и Шенк, т.2, 2008, с. 57.
- ↑ Copeland J. B. The half-adder and adder // Alan Turing's Electronic Brain: The Struggle to Build the ACE, the World's Fastest Computer. — Oxford University Press, 2012. — 576 p. — ISBN 9780191625862.
- ↑ Титце и Шенк, т.2, 2008, с. 799.
- ↑ Титце и Шенк, т.2, 2008, с. 59.
- ↑ Bryant, 2006, p. 3.
- ↑ Титце и Шенк, т.2, 2008, с. 799—809.
- ↑ Титце и Шенк, т.2, 2008, с. 809—811.
- ↑ Harkness J. A Lifetime of Connections. Otto Herbert Schmitt, 1913–1998 : [арх. 30 октября 2013] // Physics in Perspective. — 2002. — № 4. — P. 456—490.
- 1 2 Титце и Шенк, т.1, 2008, с. 669.
- ↑ Титце и Шенк, т.1, 2008, с. 670.
- ↑ Taylor D. S. Table 8. Schmitt Trigger Circuits // Transistor Circuit Design Tables. — Butterworth-Heinemann, 2013 (репринт оригинала 1971 года). — P. 86, 89—118. — ISBN 9781483144504.
- ↑ Filanovsky, I.M., Baltes H. CMOS Schmitt Trigger Design // IEEE Transactions on Circuits and Systems - Fundamental Theory and Applications. — 1999. — Vol. 41, № 1. — P. 46—49.
- ↑ Титце и Шенк, т.1, 2008, с. 680.
- ↑ Copeland J. B. Alan Blumlein and the Long-Tailed Pair // Alan Turing's Electronic Brain: The Struggle to Build the ACE, the World's Fastest Computer. — Oxford University Press, 2012. — 576 p. — ISBN 9780191625862.
- ↑ Pugh E.W. Building IBM: Shaping an Industry and Its Technology. — MIT Press. — 1995. — P. 234. — ISBN 9780262161473.
- 1 2 3 4 Muroga, 2003, p. 13—1.
- ↑ Muroga, 2003, p. 13—7.
- ↑ Muroga, 2003, p. 13—6.
- ↑ Muroga, 2003, p. 13—3.
- 1 2 Титце и Шенк, т.2, 2008, с. 705.
- ↑ Титце и Шенк, т.2, 2008, с. 702—705.
Литература
Основные источники
- Титце У., Шенк К. Полупроводниковая схемотехника. Том I. — 12-е издание. — М. : ДМК-Пресс, 2008. — 832 с. — ISBN 5940741487.
- Титце У., Шенк К. Полупроводниковая схемотехника. Том II. — 12-е издание. — М. : ДМК-Пресс, 2008. — 942 с. — ISBN 5940741487.
- Wai-Kai Chen. Analog Circuits and Devices. — CRC Press, 2003. — ISBN 9780203008812.
Исторические обзорные издания
- Алексенко, А. Г., Коломбет, Е. А., Стародуб, Г. И. Применение прецизионных аналоговых микросхем. — 2-е изд.. — Москва: "Радио и связь", 1985. — 256 с. — 50 000 экз.
- Батушев В. А. Электронные приборы. — М. : Высшая школа, 1969. — 608 с. — 90 000 экз.
- Степаненко И. П. Основы теории транзисторов и транзисторных схем. — издание 4-е, переработанное и дополненное. — М. : Энергия, 1977. — 672 с.
- Цыкин Г. С. Электронные усилители. — 2-е издание. — М. : Связьиздат, 1963. — 512 с. — 21,000 экз.
- Шило В. Л. Линейные интегральные схемы в радиоэлектронной аппаратуре. — М. : Советское радио, 1979. — 368 с.
- Шкритек П. Справочное пособие по звуковой схемотехнике. — М. : Мир, 1991. — ISBN 5030016031.
Частные вопросы применения
- Бэйкер Б. Что нужно знать цифровому инженеру об аналоговой схемотехнике. — М. : Додэка-XXI, 2010. — ISBN 9785941201709.
- Гаврилов С. А. Схемотехника. Мастер-класс. — СПБ. : Наука и Техника, 2016. — 384 с. — ISBN 9785943878695.
- Данилов А. А. Прецизионные усилители низкой частоты. — М. : Горячая линия-Телеком, 2004. — 352 с. — ISBN 5935171341.
- Полонников Д. Е. Операционные усилители. Принципы построения, теория, схемотехника. — М. : Энергоатомиздат, 1983. — 216 с.
- Тимонтеев, В. Н., Величко, Л. М., Ткаченко, В. А. Аналоговые перемножители сигналов в радиоэлектронной аппаратуре. — Москва: Радио и связь, 1982. — 114 с. — 12 000 экз.
- Addis J. Versatile analogue chip for oscilloscope plug-ins // Electronics Engineering ; 1988. — No. 8. — P. 23—28 ; No. 9. — P. 37—43.
- Addis J. Good Engineering and Fast Vertical Amplifiers // Analog Circuit Design: Art, Science, and Personalities / ed. Jim Williams. — Newnes, 1993. — P. 107—122. — 408 p. — ISBN 9781483105154.
- Bryant J. Analog Computation in the Digital Age. — Analog Dialogue. — 2006. — № April. — P. 1—12.
- Cordell B. Designing Audio Power Amplifiers. — McGraw-Hill, 2011. — ISBN 9780071640244.
- Duncan B. High Performance Audio Power Amplifiers. — Newnes, 1996. — ISBN 9780750626293.
- Hood J. L.. Valve and Transistor Audio Amplifiers. — Newnes, 2006. — ISBN 0750633565.
- Huijsing, Johan. Operational Amplifiers: Theory and Design : [англ.]. — Springer Science & Business Media, 2011. — 408 с. — ISBN 9400705964. — ISBN 9789400705968.
- Jones M. Valve Amplifiers. — 3rd edition. — Newnes, 2003. — 617 с. — ISBN 0750656948. — ISBN 9780750656948.
- Jung W.. Op Amp Applications Handbook. — Analog Devices / Elsevier, 2005. — ISBN 0916550265. — ISBN 0750678445.
- Muroga S. Emitter-Couple Logic // Logic Design / ed. Wai-Kai Chen. — CRC Press, 2003. — ISBN 9780203010150.
- Self D.. Audio Power Amplifier Design Handbook. — 3rd ed. — Newnes, 2002. — 427 с. — ISBN 0750656360. — ISBN 9780080499611.
- Self D.. Audio Power Amplifier Design Handbook. — 5th ed. — Taylor & Francis, 2009. — ISBN 9780240521626.
- Staric P., Margan E. Wideband Amplifiers. — Springer, 2007. — 630 p. — ISBN 9780387283418.
- Vogel B. How to gain gain: A Reference Book on Triodes in Audio Pre-Amps. — Springer, 2008. — 312 p. — ISBN 9783540695059.




.png)
.png)


