Метод Кауэра

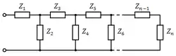
Рис. 1. Электрическая схема, реализующая реактансную функцию методом Кауэра

Метод Кауэра — метод синтеза линейных двухполюсников, основанный на разложении реактансной функции в цепную дробь.

На рис. 1 показана электрическая схема, состоящая из сопротивлений (в общем случае — комплексных). Реактансная функция этой схемы выражается цепной дробью

где  — комплексная проводимость звена.

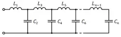
Рис. 2. LC-схема, реализующая реактансную функцию методом Кауэра

Полагая, что звенья с нечётными номерами имеют индуктивное сопротивление , а звенья с чётными номерами — ёмкостное (рис. 2), получим выражение

Так как реактансная функция линейного двухполюсника представляет собой дробь, числитель и знаменатель которой являются полиномами от p, преобразование реактансной функции в цепную дробь позволяет немедленно получить физическую реализацию двухполюсника в виде каскадной LC-схемы (рис. 2).

См. также

Литература

  • Бессонов Л.А. Теоретические основы электротехники. Электрические цепи. М.: Гардарики, 2002. — 638 с. — ISBN 5-8297-0026-3.