Нейтродин

Нейтродин — радиоприёмник прямого усиления на триодах с несколькими каскадами усиления высокой частоты, в котором использовались цепи нейтрализации ёмкости «анод-сетка».

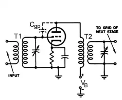
Усилитель радиочастоты, используемый в приёмниках прямого усиления. Cgp — паразитная ёмкость «анод-сетка» (ёмкость Миллера), создаёт положительную обратную связь, которая может стать причиной самовозбуждения усилителя.
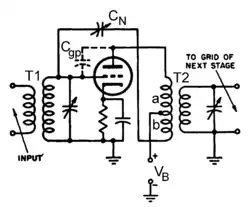
Оригинальная схема нейтродина. Ёмкость CN образует цепь ООС, путём подачи на вход усилителя сигнала с выходного трансформатора, сдвинутого на 180°. Сигнал обратной связи нейтрализует положительную обратную связь, предотвращая самовозбуждение и стабилизируя коэффициент усиления.
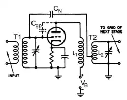
Модифицированная схема нейтродина. Сигнал обратной связи берётся со вторичной обмотки трансформатора.

История

В 20-е годы XX века во многих странах начало распространяться радиовещание. Для приёма местных радиостанций можно было пользоваться детекторными радиоприёмниками, но для приёма дальних станций их чувствительности недостаточно. Для повышения чувствительности в приёмнике должен быть усилитель. Для усиления сигналов использовались каскады на триодах.

Недостатком триода является большая паразитная ёмкость «анод-сетка». В результате при усилении высокой частоты появлялась значительная по величине неконтролируемая положительная обратная связь. При использовании нескольких каскадов усиления по высокой частоте обратная связь сильно ограничивала возможную степень усиления из-за возникновения генерации. В коротковолновом диапазоне волн паразитная ёмкость делала приём и вовсе невозможным.

Для компенсации этой обратной связи в 1922 году профессор Алан Хэзельтин предложил ввести цепь отрицательной обратной связи, в которую включался конденсатор (так называемый нейтродон), ёмкость которого была равна паразитной ёмкости «анод-сетка».

Приёмники нейтродинного типа выпускались до конца 20-х годов, до появления в широкой продаже тетродов и пентодов, после чего были вытеснены супергетеродинами.

Ссылки

  • Гинкин Г.Г. Нейтродин. История, теория и предварительные сведения. // Радиолюбитель : журнал. М.: Труд и книга, 1927. № 3 (март).
  • Изюмов Н. М. Электронная лампа. О нейтрализации и нейтродинах. // Радио всем : журнал. М.: Государственное издательство, 1928. № 2 (январь). Архивировано 21 апреля 2017 года.
  • Гаврилов С.А. Искусство ламповой схемотехники. СПб: Наука и Техника, 2012. — С. 50-51. — 304 с. — ISBN 978-5-94387-855-8.