X-образный двигатель
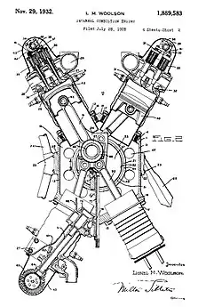
X-образный двигатель — это поршневой двигатель, с четырьмя рядами цилиндров, которые расположены Х-образным образом относительно коленчатого вала. То есть, цилиндры расположены с четырёх сторон и приводят в движение общий коленчатый вал.

Эта конструкция встречается очень редко, в основном из-за относительного большего веса и сложности в сравнении с радиальными двигателями, хотя они более компактны (при равном количестве цилиндров) в сравнении с V-образными двигателями и всесторонне динамически уравновешены относительно них же. Другими словами, установка балансира для снижения вибрации, как в случае с рядным и V-образным расположением цилиндров, не требуется. Это объясняется тем, что каждая пара цилиндров уравновешивает друг друга во время работы.
Большинство видов Х-образных двигателей применялись во времена Второй мировой войны. Они были разработаны для больших военных самолётов. Как правило, они имели 24 цилиндра и основывались на конструкции 12-цилиндрового V-образного двигателя.
Виды
Существует несколько видов Х-образных двигателей:
- Симметричный (назовём его крестообразным) — цилиндры расположены относительно коленчатого вала под углом 90° (/90°/0°/(-90°)270°/180°)
- Собственно Х-образный — цилиндры образуют две симметричные пары под углами 120°/60° и 300°(-60°)/240°(-120°)
- «Y»-образный (только четырёхцилиндровый) — цилиндры расположены относительно коленчатого вала под углами 90°/45°/(-90)270°/145°)
Симметричный 90°/90°/90°/90°
Х-образный 120°/60°/120°/60°
“Y“-образный 45°/45°/135°/135°
Некоторые примеры Х-образных двигателей
- Компания «Форд» в 1920-х годах использовала прототип двигателя X-8, который привёл в конечном счёте к появлению линейки двигателей с боковыми клапанами.[1][2]
- Двигатель Даймлер-Бенц DB 604, разрабатывавшийся для бомбардировщика В для Военно-воздушных сил Германии. Разработка была заморожена.
- Двигатель, разработанный под руководством В. Добрынина для стратегического бомбардировщика Ту-85.
- Rolls-Royce Vulture был одним из вариантов двигателя «2000 сил», предназначавшегося для применения на английских самолетах в начале 40-х. Однако не достиг приемлемых показателей надежности и построенным под него Hawker Tornado и Avro Manchester пришли на смену Hawker Typhoon с 24-цилиндровым Н-образным Napier Sabre и Avro Lancaster с 4 Rolls-Royce Merlin.
- Двигатель Роллс-Ройс Exe, прототип двигателя с воздушным охлаждением с золотниковым газораспределением.
- Компания Хонда сообщает, что проводила эксперименты с двигателями в исполнении X-32 в 1960-х годах для своих силовых установок в машинах Формулы 1, но прекратила разработки из-за сложности и ненадёжности конструкции.
- На российском танке Т-14 планировалось использовать двигатель 12Н360 в исполнении X-12, мощностью 1500 л. с., в качестве резервного варианта СУ[3][4]
См. также
Примечания
- ↑ SIA Flashback . Experimental Ford Engines (англ.). Hemmings Auto Blogs. — Blog Archive. Дата обращения: 29 января 2011. Архивировано 6 сентября 2008 года.
- ↑ Eli Apolzon and daughter Ruth Family Page * * * Austin, Texas — Henry Ford’s X-8 engine and how it will be used to raise dollars for Autistic and other Special Needs children (англ.) Архивировано 12 декабря 2008 года.
- ↑ Следующий — Т-14 // Взгляд. — 2013. — 26 сентября. Архивная копия от 8 января 2015 на Wayback Machine
- ↑ Дизельный двигатель 12Н360. Челябинский тракторный завод (ЧТЗ). Дата обращения: 22 декабря 2014. Архивировано 27 ноября 2015 года.