IDEA
| IDEA, International Data Encryption Algorithm | |
|---|---|
| |
| Создатель | Ascom |
| Создан | 1991 год |
| Опубликован | 1991 год |
| Размер ключа | 128 бит |
| Размер блока | 64 бит |
| Число раундов | 8.5 |
| Тип | модификация сети Фейстеля[1] |
IDEA (англ. International Data Encryption Algorithm, международный алгоритм шифрования данных) — симметричный блочный алгоритм шифрования данных, запатентованный швейцарской фирмой Ascom. Известен тем, что применялся в пакете программ шифрования PGP. В ноябре 2000 года IDEA был представлен в качестве кандидата в проекте NESSIE в рамках программы Европейской комиссии IST (англ. Information Societies Technology, информационные общественные технологии).
История
Первую версию алгоритма разработали в 1990 году Лай Сюэцзя (Xuejia Lai) и Джеймс Мэсси (James Massey) из Швейцарского института ETH Zürich (по контракту с Hasler Foundation, которая позже влилась в Ascom-Tech AG) в качестве замены DES (англ. Data Encryption Standard, стандарт шифрования данных) и назвали её PES (англ. Proposed Encryption Standard, предложенный стандарт шифрования). Затем, после публикации работ Бихама и Шамира по дифференциальному криптоанализу PES, алгоритм был улучшен с целью усиления криптостойкости и назван IPES (англ. Improved Proposed Encryption Standard, улучшенный предложенный стандарт шифрования). Через год его переименовали в IDEA (англ. International Data Encryption Algorithm).
Описание
Так как IDEA использует 128-битный ключ и 64-битный размер блока, открытый текст разбивается на блоки по 64 бит. Если такое разбиение невозможно, последний блок дополняется различными способами определённой последовательностью бит. Для избежания утечки информации о каждом отдельном блоке используются различные режимы шифрования. Каждый исходный незашифрованный 64-битный блок делится на четыре подблока по 16 бит каждый, так как все алгебраические операции, использующиеся в процессе шифрования, совершаются над 16-битными числами. Для шифрования и расшифрования IDEA использует один и тот же алгоритм.

Фундаментальным нововведением в алгоритме является использование операций из разных алгебраических групп, а именно:
- сложение по модулю
- умножение по модулю
- побитовое исключающее ИЛИ (XOR).
Эти три операции несовместимы в том смысле, что:
- никакие две из них не удовлетворяют дистрибутивному закону, то есть
- никакие две из них не удовлетворяют ассоциативному закону, то есть
Применение этих трех операций затрудняет криптоанализ IDEA по сравнению с DES, который основан исключительно на операции исключающее ИЛИ, а также позволяет отказаться от использования S-блоков и таблиц замены. IDEA является модификацией сети Фейстеля.
Генерация ключей
Из 128-битного ключа для каждого из восьми раундов шифрования генерируется по шесть 16-битных подключей, а для выходного преобразования генерируется четыре 16-битных подключа. Всего потребуется 52 = 8 x 6 + 4 различных подключей по 16 бит каждый. Процесс генерации пятидесяти двух 16-битных ключей заключается в следующем:
- Первым делом, 128-битный ключ разбивается на восемь 16-битных блоков. Это будут первые восемь подключей по 16 бит каждый —
- Затем этот 128-битный ключ циклически сдвигается влево на 25 позиций, после чего новый 128-битный блок снова разбивается на восемь 16-битных блоков. Это уже следующие восемь подключей по 16 бит каждый —
- Процедура циклического сдвига и разбивки на блоки продолжается до тех пор, пока не будут сгенерированы все 52 16-битных подключа.
| Номер раунда | Подключи |
|---|---|
| 1 | |
| 2 | |
| 3 | |
| 4 | |
| 5 | |
| 6 | |
| 7 | |
| 8 | |
| выходное преобразование |
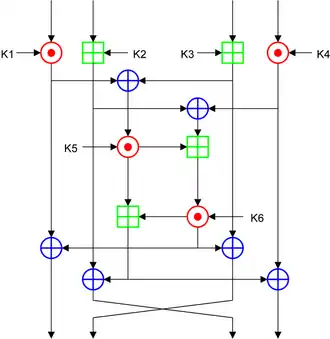
Шифрование

Структура алгоритма IDEA показана на рисунке. Процесс шифрования состоит из восьми одинаковых раундов шифрования и одного выходного преобразования. Исходный незашифрованный текст делится на блоки по 64 бита. Каждый такой блок делится на четыре подблока по 16 бит каждый. На рисунке эти подблоки обозначены , , , . В каждом раунде используются свои подключи согласно таблице подключей. Над 16-битными подключами и подблоками незашифрованного текста производятся следующие операции:
- умножение по модулю = 65537, причем вместо нуля используется
- сложение по модулю
- побитовое исключающее ИЛИ
В конце каждого раунда шифрования имеется четыре 16-битных подблока, которые затем используются как входные подблоки для следующего раунда шифрования. Выходное преобразование представляет собой укороченный раунд, а именно, четыре 16-битных подблока на выходе восьмого раунда и четыре соответствующих подключа подвергаются операциям:
- умножение по модулю
- сложение по модулю
После выполнения выходного преобразования конкатенация подблоков , , и представляет собой зашифрованный текст. Затем берется следующий 64-битный блок незашифрованного текста и алгоритм шифрования повторяется. Так продолжается до тех пор, пока не зашифруются все 64-битные блоки исходного текста.
Математическое описание
- Блок открытого текста размером 64 бит делится на четыре равных подблока размером по 16 бит
- Для каждого раунда вычисляются:
Результатом выполнения восьми раундов будут следующие четыре подблока
- Выполняется выходное преобразование :
Результатом выполнения выходного преобразования является зашифрованный текст
Расшифровка
Метод вычисления, использующийся для расшифровки текста по существу такой же, как и при его шифровании. Единственное отличие состоит в том, что для расшифровки используются другие подключи. В процессе расшифровки подключи должны использоваться в обратном порядке. Первый и четвёртый подключи i-го раунда расшифровки получаются из первого и четвёртого подключа (10-i)-го раунда шифрования мультипликативной инверсией. Для 1-го и 9-го раундов второй и третий подключи расшифровки получаются из второго и третьего подключей 9-го и 1-го раундов шифрования аддитивной инверсией. Для раундов со 2-го по 8-й второй и третий подключи расшифровки получаются из третьего и второго подключей с 8-го по 2-й раундов шифрования аддитивной инверсией. Последние два подключа i-го раунда расшифровки равны последним двум подключам (9-i)-го раунда шифрования. Мультипликативная инверсия подключа K обозначается 1/K и . Так как — простое число, каждое целое не равное нулю K имеет уникальную мультипликативную инверсию по модулю . Аддитивная инверсия подключа K обозначается -K и .
| Номер раунда | Подключи |
|---|---|
| 1 | |
| 2 | |
| 3 | |
| 4 | |
| 5 | |
| 6 | |
| 7 | |
| 8 | |
| выходное преобразование |
Пример
Для удобства числа представляем в шестнадцатеричном виде.
Пример шифрования
В качестве 128-битного ключа используем K = (0001,0002,0003,0004,0005,0006,0007,0008), а в качестве 64-битного открытого текста M = (0000,0001,0002,0003)
| Раунд | Раундовые ключи | Значения блоков данных | ||||||||
|---|---|---|---|---|---|---|---|---|---|---|
| — | — | — | — | — | — | — | 0000 | 0001 | 0002 | 0003 |
| 1 | 0001 | 0002 | 0003 | 0004 | 0005 | 0006 | 00f0 | 00f5 | 010a | 0105 |
| 2 | 0007 | 0008 | 0400 | 0600 | 0800 | 0a00 | 222f | 21b5 | f45e | e959 |
| 3 | 0c00 | 0e00 | 1000 | 0200 | 0010 | 0014 | 0f86 | 39be | 8ee8 | 1173 |
| 4 | 0018 | 001c | 0020 | 0004 | 0008 | 000c | 57df | ac58 | c65b | ba4d |
| 5 | 2800 | 3000 | 3800 | 4000 | 0800 | 1000 | 8e81 | ba9c | f77f | 3a4a |
| 6 | 1800 | 2000 | 0070 | 0080 | 0010 | 0020 | 6942 | 9409 | e21b | 1c64 |
| 7 | 0030 | 0040 | 0050 | 0060 | 0000 | 2000 | 99d0 | c7f6 | 5331 | 620e |
| 8 | 4000 | 6000 | 8000 | a000 | c000 | e001 | 0a24 | 0098 | ec6b | 4925 |
| 9 | 0080 | 00c0 | 0100 | 0140 | - | - | 11fb | ed2b | 0198 | 6de5 |
Пример расшифровки
В качестве 128-битного ключа используем K = (0001,0002,0003,0004,0005,0006,0007,0008), а в качестве 64-битного зашифрованного текста C = (11fb, ed2b, 0198, 6de5)
| Раунд | Раундовые ключи | Значения блоков данных | ||||||||
|---|---|---|---|---|---|---|---|---|---|---|
| 1 | fe01 | ff40 | ff00 | 659a | c000 | e001 | d98d | d331 | 27f6 | 82b8 |
| 2 | fffd | 8000 | a000 | cccc | 0000 | 2000 | bc4d | e26b | 9449 | a576 |
| 3 | a556 | ffb0 | ffc0 | 52ab | 0010 | 0020 | 0aa4 | f7ef | da9c | 24e3 |
| 4 | 554b | ff90 | e000 | fe01 | 0800 | 1000 | ca46 | fe5b | dc58 | 116d |
| 5 | 332d | c800 | d000 | fffd | 0008 | 000c | 748f | 8f08 | 39da | 45cc |
| 6 | 4aab | ffe0 | ffe4 | c001 | 0010 | 0014 | 3266 | 045e | 2fb5 | b02e |
| 7 | aa96 | f000 | f200 | ff81 | 0800 | 0a00 | 0690 | 050a | 00fd | 1dfa |
| 8 | 4925 | fc00 | fff8 | 552b | 0005 | 0006 | 0000 | 0005 | 0003 | 000c |
| 9 | 0001 | fffe | fffd | c001 | - | - | 0000 | 0001 | 0002 | 0003 |
Режимы шифрования
IDEA является блочным алгоритмом шифрования, работающим с блоками по 64 бита. При несовпадении размера шифруемого текста с этим фиксированным размером, блок дополняется до 64.
Алгоритм используется в одном из следующих режимов шифрования[ISO 1]:
- Режим электронной кодовой книги (англ. Electronic Codebook (ECB))
- Режим сцепления блоков шифротекста (англ. Cipher Block Chaining (CBC))
- Режим обратной связи по шифротексту (англ. Cipher Feedback (CFB))
- Режим обратной связи по выходу (англ. Output Feedback (OFB))
Алгоритм может также применяться для вычисления
Аппаратная реализация
Аппаратная реализация имеет перед программной следующие преимущества:
- существенное повышение скорости шифрования за счёт использования параллелизма при выполнении операций
- меньшее энергопотребление
Первая реализация алгоритма IDEA на интегральной схеме(англ. Very Large Scale Integration) была разработана и верифицирована Лаем, Мэсси и Мёрфи в 1992 году с использованием технологического процесса 1,5 мкм и технологии КМОП [ИС 1]. Скорость шифрования данного устройства составляла 44 Мб/сек.
В 1994 году Каригером, Бонненбергом, Зиммерманом и др. было разработано устройство VINCI. Скорость шифрования данной реализации IDEA составляла 177 Мб/сек при тактовой частоте 25 МГц, техпроцесс 1,2 мкм. Это было первое полупроводниковое устройство, которое уже могло применяться для шифрования в реальном времени в таких высокоскоростных сетевых протоколах, как ATM (англ. Asynchronous Transfer Mode, асинхронный способ передачи данных) или FDDI (англ. Fiber Distributed Data Interface, распределённый волоконный интерфейс данных). Скорость 177 Мб/сек была достигнута благодаря использованию довольно изощрённой схемы конвейерной обработки и четырёх обычных умножителей по модулю . В устройстве также используются два однонаправленных высокоскоростных 16-битных порта данных. Эти порты обеспечивают постоянную загруженность блоков шифрования[ИС 2] [ИС 3].
Уже в следующем году Вольтер и др. представили устройство со скоростью шифрования 355 Мб/сек. Такой скорости удалось добиться благодаря реализации одного раунда шифрования на технологическом процессе 0,8 мкм с использованием технологии КМОП. Архитектура данного устройства включает в себя параллельное самотестирование, основанное на системе обработки ошибок с вычислениями по модулю 3, которая позволяет определять возникающие ошибки в одном или нескольких разрядах в тракте данных IDEA, что позволяет надёжно предотвращать искажения зашифрованных или расшифрованных данных [ИС 4].
Наибольшей скорости шифрования 424 Мб/сек в 1998 году на одной интегральной схеме достигла группа инженеров во главе с Саломао из Федерального Университета Рио-де-Жанейро COPPE на технологическом процессе 0,7 мкм при частоте 53 МГц. Архитектура данной реализации использует как пространственный, так и временной параллелизм, доступные в алгоритме IDEA [ИС 5].
В том же году IDEA Менсером и др. был реализован на четырёх устройствах XC4020XL. Скорость шифрования 4 x XC4020XL составляет 528 Мб/сек [ИС 6].
В 1999 году фирмой Ascom были представлены две коммерческие реализации IDEA. Первая называется IDEACrypt Kernel и достигает скорости 720 Мб/сек при использовании технологии 0,25 мкм [ИС 7]. Вторая называется IDEACrypt Coprocessor, основана на IDEACrypt Kernel и достигает скорости шифрования 300 Мб/сек [ИС 8].
В 2000 году инженерами из Китайского университета Гонконга Лионгом и др. были выпущены устройства шифрования на ПЛИС фирмы Xilinx: Virtex XCV300-6 и XCV1000-6 [ИС 9]. Скорость шифрования Virtex XCV300-6 достигает 500 Мб/сек при частоте 125 МГц, а предполагаемая производительность XCV1000-6 составляет 2,35 Гб/сек, что позволяет использовать данное устройство для шифрования в высокоскоростных сетях. Высокой скорости шифрования удалось достигнуть используя разрядно-последовательную архитектуру для выполнения операции умножения по модулю . Результаты экспериментов с разными устройствами сведены в таблицу:
| Устройство (XCV) | 300-6 | 600-6 | 1000-6 |
|---|---|---|---|
| масштабируемость | |||
| число секций | |||
| использование секций | |||
| тактовая частота (МГц) | |||
| шифрований в сек (x ) | |||
| скорость шифрования (Мб/сек) | |||
| латентность (мкс) | |||
Чуть позже теми же разработчиками была предложено устройство на ПЛИС фирмы Xilinx Virtex XCV300-6 на основе разрядно-параллельной архитектуры. При реализации с использованием разрядно-параллельной архитектуры при работе на частоте 82 МГц скорость шифрования XCV300-6 составляет 1166 Мб/сек, тогда как с разрядно-последовательной было достигнуто 600 Мб/сек на частоте 150 МГц. Устройство XCV300-6 с обеими архитектурами масштабируемо. С использованием разрядно-параллельной архитектуры предполагаемая скорость шифрования XCV1000-6 составляет 5,25 Гб/сек [ИС 10].
В том же 2000 году Гольдштейном и др. разработано устройство на PipeRench ПЛИС с использованием технологического процесса 0,25 мкм со скоростью шифрования 1013 Мб/сек [ИС 11].
| Год | Реализация | Скорость шифрования (Мб/сек) | Авторы |
|---|---|---|---|
| 1998 | |||
| 2000 | |||
| 1992 | |||
| 1994 | |||
| 1995 | |||
| 1998 | |||
| 1998 | |||
| 1999 | |||
| 2000 | |||
| 2000 | |||
В 2002 году была опубликована работа о реализации IDEA на ПЛИС все той же фирмы Xilinx семейства Virtex-E. Устройство XCV1000E-6BG560 при частоте 105,9 МГц достигает скорости шифрования 6,78 Гб/сек.
Реализации на основе ПЛИС — хороший выбор, когда речь идёт о высокопроизводительной криптографии. Среди применений — VPN (англ. Virtual Private Networks, виртуальная частная сеть), связь через спутник а также аппаратные ускорители для шифрования огромных файлов или жёстких дисков целиком.
Криптостойкость
Алгоритм IDEA появился в результате незначительных модификаций алгоритма PES. На рисунке приведены структуры обоих алгоритмов, и видно, что изменений не так уж и много:
- умножение подблока со вторым подключом раунда заменено сложением
- сложение подблока с четвёртым подключом раунда заменено на умножение
- изменён сдвиг подблоков в конце раунда
Один из наиболее известных в мире криптологов Брюс Шнайер в своей книге «Прикладная криптография» заметил: «…удивительно, как такие незначительные изменения могут привести к столь большим различиям».

В той же книге, вышедшей в 1996 году, Брюс Шнайер отозвался об IDEA так: «Мне кажется, это самый лучший и надежный блочный алгоритм, опубликованный до настоящего времени».
В алгоритме IDEA использует 64-битные блоки. Длина блока должна быть достаточной, чтобы скрыть статистические характеристики исходного сообщения. Но с увеличением размера блока экспоненциально возрастает сложность реализации криптографического алгоритма. В алгоритме IDEA используется 128-битный ключ. Длина ключа должна быть достаточно большой, чтобы предотвратить возможность перебора ключа. Для вскрытия 128-битного ключа полным перебором ключей при условии, что известен открытый и соответствующий ему зашифрованный текст, потребуется (порядка ) шифрований. При такой длине ключа IDEA считается довольно безопасным. Высокая криптостойкость IDEA обеспечивается также такими характеристиками:
- запутывание — шифрование зависит от ключа сложным и запутанным образом
- рассеяние — каждый бит незашифрованного текста влияет на каждый бит зашифрованного текста
Лай Сюэцзя (Xuejia Lai) и Джеймс Мэсси (James Massey) провели тщательный анализ IDEA с целью выяснения его криптостойкости к дифференциальному криптоанализу. Для этого ими было введено понятие марковского шифра и продемонстрировано, что устойчивость к дифференциальному криптоанализу может быть промоделирована и оценена количественно [стойкость 1]. Линейных или алгебраических слабостей у IDEA выявлено не было. Попытка вскрытия с помощью криптоанализа со связанными ключами, проведенная Бихамом (Biham), также не увенчалась успехом [стойкость 2].
Существуют успешные атаки, применимые к IDEA с меньшим числом раундов (полный IDEA имеет 8.5 раундов). Успешной считается атака, если вскрытие шифра с её помощью требует меньшего количества операций, чем при полном переборе ключей. Метод вскрытия Вилли Майера (Willi Meier) оказался эффективнее вскрытия полным перебором ключей только для IDEA с 2 раундами [стойкость 3]. Методом «встреча посередине» был вскрыт IDEA с 4,5 раундами. Для этого требуется знание всех блоков из словаря кодов и сложность анализа составляет операций [стойкость 4]. Лучшая атака на 2007 год применима ко всем ключам и может взломать IDEA с 6-ю раундами [стойкость 5].
Слабые ключи
Существуют большие классы слабых ключей. Слабые они в том смысле, что существуют процедуры, позволяющие определить, относится ли ключ к данному классу, а затем и сам ключ. В настоящее время известны следующие:
- слабых к дифференциальному криптоанализу ключей. Принадлежность к классу можно вычислить за операций с помощью подобранного открытого текста. Авторы данной атаки предложили модификацию алгоритма IDEA. Данная модификация заключается в замене подключей на соответствующие , где r — номер раунда шифрования. Точное значение a не критично. Например при (в шестнадцатеричной системе счисления) данные слабые ключи исключаются[стойкость 6].
- слабых к линейному дифференциальному криптоанализу ключей[стойкость 7]. Принадлежность к данному классу выясняется с помощью теста на связанных ключах.
- слабых ключей было найдено с использованием метода бумеранга (англ. boomerang attack), предложенного Дэвидом Вагнером (David Wagner)[стойкость 8]. Тест на принадлежность к данному классу выполняется за операций и потребует ячеек памяти[стойкость 9].
Существование столь больших классов слабых ключей не влияет на практическую криптостойкость алгоритма IDEA, так как полное число всех возможных ключей равно .
Сравнение с некоторыми блочными алгоритмами
Для сравнения с IDEA выбраны DES, Blowfish и ГОСТ 28147-89. Выбор DES обусловлен тем, что IDEA проектировался как его замена. Blowfish выбран потому, что он быстр, и был придуман известным криптологом Брюсом Шнайером. Для сравнения также выбран ГОСТ 28147-89, блочный шифр, разработанный в СССР. Как видно из таблицы, размер ключа у IDEA больше, чем у DES, но меньше, чем у ГОСТ 28147-89 и Blowfish. Скорость шифрования IDEA на Intel486SX/33МГц больше в 2 раза, чем у DES, выше чем у ГОСТ 28147-89, но почти в 2 раза меньше, чем у Blowfish.
| Алгоритм | Размер ключа, бит | Длина блока, бит | Число раундов | Скорость шифрования на Intel486SX/33МГц (Кбайт/с) | Основные операции |
|---|---|---|---|---|---|
| DES | |||||
| IDEA | |||||
| Blowfish | |||||
| ГОСТ 28147-89 | |||||
Далее приведена таблица сравнения скоростей в программной реализации на процессорах Pentium, Pentium MMX, Pentium II, Pentium III. Обозначение 4-way IDEA означает, что 4 операции шифрования или расшифрования выполняются параллельно. Для этого алгоритм используется в параллельных режимах шифрования. Хельгер Лимпа (Helger Limpaa) реализовал 4-way IDEA в режиме шифрования электронной кодовой книги (CBC4) и режиме счётчика (CTR4). Таким образом была достигнута скорость шифрования/расшифрования 260—275 Мбит/с при использовании CBC4 на 500 МГц Pentium III и при использовании CTR4 на 450 МГц Pentium III. В приведенной таблице скорости отмасштабированы на гипотетическую 3200 МГц машину.
| Блочный шифр | Длина блока, бит | Число циклов | Скорость шифрования, Мбайт/с | Автор | Процессор |
|---|---|---|---|---|---|
| Square | |||||
| RC6 | |||||
| 4-way IDEA | |||||
| Rijndael | |||||
| Square | |||||
| 4-way IDEA | |||||
| SC2000 | |||||
| 4-way IDEA | |||||
| Twofish | |||||
| Rijndael | |||||
| Camellia | |||||
| MARS | |||||
| Blowfish | |||||
| RC5-32/16 | |||||
| CAST5 | |||||
| DES | |||||
| IDEA | |||||
| SAFER (S)K-128 | |||||
| SHARK | |||||
| IDEA | |||||
| 3DES | |||||
Преимущества и недостатки IDEA
Преимущества
В программной реализации на Intel486SX по сравнению с DES IDEA в два раза быстрее, что является существенным повышением скорости, длина ключа у IDEA имеет размер 128 бит, против 56 бит у DES, что является хорошим улучшением против полного перебора ключей. Вероятность использования слабых ключей очень мала и составляет . IDEA быстрее алгоритма ГОСТ 28147-89 (в программной реализации на Intel486SX). Использование IDEA в параллельных режимах шифрования на процессорах Pentium III и Pentium MMX позволяет получать высокие скорости. По сравнению с финалистами AES, 4-way IDEA лишь слегка медленнее, чем RC6 и Rijndael на Pentium II, но быстрее, чем Twofish и MARS. На Pentium III 4-way IDEA даже быстрее RC6 и Rijndael. Преимуществом также является хорошая изученность и устойчивость к общеизвестным средствам криптоанализа.
Недостатки
IDEA значительно медленнее, почти в два раза, чем Blowfish (в программной реализации на Intel486SX). IDEA не предусматривает увеличение длины ключа.
Сравнение с некоторыми блочными шифрами в реализации PGP
| Алгоритм | Ключ, бит | Блок, бит | Примечания |
|---|---|---|---|
| Triple-DES | |||
| AES (Rijndael) | |||
| CAST6 | |||
| IDEA | |||
| Twofish | |||
| Blowfish | |||
Применение IDEA
В прошлом алгоритм был запатентован во многих странах, а само название «IDEA» было зарегистрированной торговой маркой. Однако последний связанный с алгоритмом патент истёк в 2012, и теперь сам алгоритм может быть свободно использован в любых целях. В 2005 году MediaCrypt AG (лицензиат IDEA) официально представила новый шифр IDEA NXT (первоначальное название FOX), призванный заменить IDEA. Типичные области применения IDEA:
- шифрование аудио и видео данных для кабельного телевидения, видеоконференций, дистанционного обучения, VoIP
- защита коммерческой и финансовой информации, отражающей конъюнктурные колебания
- линии связи через модем, роутер или ATM линию, GSM технологию
- смарт-карты
- общедоступный пакет конфиденциальной версии электронной почты PGP v2.0[3] и (опционально) в OpenPGP
Регистрация алгоритма IDEA в стандартах
- ISO 9979/0002: ISO Register of Cryptographic Algorithms — регистрация криптографических алгоритмов в ISO
- UN/EDIFACT (англ. United Nations/Electronic Data Interchange For Administration, Commerce, and Transport — ООН/обмен электронными данными для управления, коммерции и транспорта): EDIFACT Security Implementation Guidelines — рекомендации по обеспечению безопасности
- ITU-T Recommendation H.233: Confidentiality System for Audiovisual Services — рекомендация H.233: конфиденциальная система для аудиовизуальных служб
- IETF (англ. Internet Engineering Task Force — специальная комиссия интернет разработок) RFC 3058: Использование алгоритма шифрования IDEA в CMS
- TBSS: Telematic Base Security Services — базовая безопасность службы дистанционной обработки данных
- OpenSSL — криптографический пакет с открытым исходным кодом для работы с SSL/TLS
- WAP (англ. Wireless Application Protocol — протокол беспроводного доступа) WTLS (англ. Wireless Transport Layer Security — безопасность транспортного уровня беспроводной передачи данных)
- NESSIE (англ. New European Schemes for Signature, Integrity, and Encryption — новые европейские проекты по цифровой подписи, целостности и шифрования)
Источники
- Xuejia Lai and James Massey. Предложение нового блочного стандарта шифрования = A Proposal for a New Block Encryption Standard, EUROCRYPT 1990. — Springer-Verlag, 1991. — P. 389—404. — ISBN 3-540-53587-X.
- Xuejia Lai and James Massey. Марковские шифры и дифференциальный криптоанализ = Markov ciphers and differential cryptanalysis, Advances in Cryptology, EUROCRYPT 1991. — Springer-Verlag, 1992. — P. 17—38. — ISBN 3540546200.
- Menezes A. J., van Oorschot P., Vanstone S. A. Handbook of Applied Cryptography (англ.) — Boca Raton: CRC Press, 1996. — 816 p. — (Discrete Mathematics and Its Applications) — ISBN 978-0-8493-8523-0
- Шнайер Б. Прикладная криптография. Протоколы, алгоритмы, исходные тексты на языке Си = Applied Cryptography. Protocols, Algorithms and Source Code in C. — М.: Триумф, 2002. — 816 с. — 3000 экз. — ISBN 5-89392-055-4.
- Hüseyin Demirci, Erkan Türe, Ali Aydin Selçuk. A New Meet in the Middle Attack on The IDEA Block Cipher : Материалы конф. / 10th Annual Workshop on Selected Areas in Cryptography, 2003.
- Helger Limpaa. IDEA: Шифр для мультимедиа архитектур? = IDEA: A cipher for multimedia architectures? In Stafford Tavares and Henk Meijer, editors, Selected Areas in Cryptography '98, volume 1556 of Lecture Notes in Computer Science — Springer-Verlag, 17—18 August 1998. — P. 248—263.
Примечания
- ↑ Menezes, Oorschot, Vanstone, 1996, pp. 263.
- ↑ Сравнительный обзор алгоритмов PGP. Дата обращения: 10 ноября 2008. Архивировано 13 мая 2012 года.
- ↑ S. Garfinkel. Довольно неплохая конфиденциальность = PGP: Pretty Good Privacy. — December 1, 1994. — 430 p. — ISBN 978-1565920989.
Криптостойкость
- ↑ X. Lai. On the Design and Security of Block Ciphers, ETH Series in Information Processing // Лекционные записи по теории вычислительных систем = Lecture Notes in Computer Science. — Berlin / Heidelberg: Springer-Verlag, 10 апреля 2006 г. — P. 213—222. — ISBN 978-3-540-62031-0.
- ↑ E. Biham, personal communication, 1993
- ↑ W. Meier, HTL. Brugg-Windisch, Switzerland. On the Security of the IDEA Block Cipher // Семинар по теории и применению криптографических техник в работе комиссии Advances in Сryptology EUROCRYPT '93 = Workshop on the theory and application of cryptographic techniques on Advances in Сryptology EUROCRYPT '93 Proceedings. — Secaucus, NJ, USA: Springer-Verlag New York, Inc, 1994. — P. 371—385. — ISBN 3-540-57600-2.
- ↑ Biham E., Biryukov A., Shamir A. Miss in the Middle Attacks on IDEA and Khufu (англ.) // Fast Software Encryption: 6th International Workshop, FSE’99 Rome, Italy, March 24–26, 1999 Proceedings / L. R. Knudsen — Berlin, Heidelberg, New York City, London: Springer Berlin Heidelberg, 1999. — P. 124—138. — (Lecture Notes in Computer Science; Vol. 1636) — ISBN 978-3-540-66226-6 — ISSN 0302-9743; 1611-3349 — doi:10.1007/3-540-48519-8_10
- ↑ E. Biham, O. Dunkelman, N. Keller. A New Attack on 6-Round IDEA // Лекционные записи по теории вычислительных систем = Lecture Notes In Computer Science. — Berlin / Heidelberg: Springer-Verlag, 18 августа 2007 г. — P. 211—224. — ISBN 978-3-540-74617-1.
- ↑ J. Daemen, R. Govaerts, and J. Vandewalle. Weak Keys for IDEA // Лекционные записи по теории вычислительных систем; Работа комиссии на 13-й ежегодной международной конференции по криптологии EUROCRYPT 1993 = Lecture Notes In Computer Science; Proceedings of the 13th Annual International Cryptology Conference on Advances in Cryptology. — London, UK: Springer-Verlag, 1993. — P. 224—231. — ISBN 3-540-57766-1.
- ↑ P. Hawkes. Differential-Linear Weak Key Classes of IDEA // Лекционные записи по теории вычислительных систем = Lecture Notes In Computer Science. — Berlin / Heidelberg: Springer-Verlag, 28 июля 2006 г. — P. 112—126. — ISBN 978-3-540-64518-4.
- ↑ D. Wagner. The Boomerang Attack // Лекционные записи по теории вычислительных систем; Работа комиссии на шестом международном семинаре по быстрому программному шифрованию = Lecture Notes In Computer Science; Proceedings of the 6th International Workshop on Fast Software Encryption. — London, UK: Springer-Verlag, 1999. — P. 156—170. — ISBN 3-540-66226-X.
- ↑ A. Biryukov, J. Nakahara Jr, B. Preneel, J. Vandewalle. New Weak-Key Classes of IDEA // Лекционные записи по теории вычислительных систем; Работа комиссии на четвёртой международной конференции по безопасности информации и связи = Lecture Notes In Computer Science; Proceedings of the 4th International Conference on Information and Communications Security. — London, UK: Springer-Verlag, 2002. — P. 315—326. — ISBN 3-540-00164-6. Архивировано 28 сентября 2011 года.
Аппаратная реализация
- ↑ H. Bonnenberg, A. Curiger, N. Felber, H. Kaeslin, and X. Lai. VLSI implementation of a new block cipher // Работа комиссии IEEE на международной конференции компьютерного проектирования: интегральные схемы в компьютерах и процессорах = Proceedings of the IEEE International Conference on Computer Design: VLSI in Computer and Processors. — Washington, DC, USA: IEEE Computer Society, 1991. — P. 510—513. — ISBN 0-8186-2270-9.
- ↑ A. Curiger, H. Bonnenberg, R. Zimmerman, N. Felber, H. Kaeslin, and W. Fichtner. VINCI: VLSI implementation of the new secret-key block cipher IDEA // Работа комиссии IEEE на конференции по специализированным интегральным микросхемам = Proceedings of the IEEE Custom Integrated Circuits Conference. — San Diego, CA, USA: IEEE Computer Society, 9-12 May 1993. — P. 15.5.1-15.5.4. — ISBN 0-7803-0826-3.
- ↑ R. Zimmermann, A. Curiger, H. Bonnenberg, H. Kaeslin, N. Felber, and W. Fichtner. A 177Mb/sec VLSI implementation of the international data encryption algorithm // IEEE Journal of Solid-State Circuits. — March 1994. — Т. 29. — С. 303—307.
- ↑ S. Wolter, H. Matz, A. Schubert, and R. Laur. On the VLSI implementation of the international data encryption algorithm IDEA // Работа комиссии IEEE на международном симпозиуме по схемам и системам = Proceedings of the IEEE International Symposium on Circuits and Systems. — Seattle, Washington, USA: IEEE Computer Society, 30 Apr-3 May 1995. — P. 397—400. — ISBN 0-7803-2570-2.
- ↑ S. L. C. Salomao, V. C. Alves, and E. M. C. Filho. HiPCrypto: A high-performance VLSI cryptographic chip // Работа комиссии на одиннадцатой ежегодной конференции IEEE по ASIC = Proceedings of the Eleventh Annual IEEE ASIC Conference. — Rochester, NY, USA: IEEE Computer Society, 13-16 Sep 1998. — P. 7—11. — ISBN 0-7803-4980-6.
- ↑ O. Mencer, M. Morf, and M. J. Flynn. Hardware software tri-design of encryption for mobile communication units // Работа комиссии IEEE на международной конференции по обработке акустики, речи и сигналов = Proceedings of the IEEE International Conference on Acoustics, Speech and Signal Processing. — Seattle, Washington, USA: IEEE Computer Society, 12-15 May 1998. — P. 3045—3048. — ISBN 0-7803-4428-6.
- ↑ Ascom, IDEACrypt Kernel Data Sheet, 1999.
- ↑ Ascom, IDEACrypt Coprocessor Data Sheet, 1999.
- ↑ M. P. Leong, O. Y. H. Cheung, K. H. Tsoi and P. H. W. Leong. A Bit-Serial Implementation of the International Data Encryption Algorithm IDEA // Работа комиссии IEEE на симпозиуме 2000 по программируемым в условиях эксплуатации специализированным вычислительным машинам = Proceedings of the 2000 IEEE Symposium on Field-Programmable Custom Computing Machines. — Seattle, Washington, USA: IEEE Computer Society, 2000. — P. 122—131. — ISBN 0-7695-0871-5.
- ↑ O. Y. H. Cheung, K. H. Tsoi, P. H. W. Leong and M. P. Leong. Tradeoffs in Parallel and Serial Implementations of the International Data Encryption Algorithm IDEA // Криптографические аппаратные и встроенные системы 2001 = CHES 2001 : cryptographic hardware and embedded systems. — INIST-CNRS, Cote INIST : 16343, 35400009702003.0270: Springer, Berlin, ALLEMAGNE ETATS-UNIS (2001) (Monographie), 2001. — P. 333—347. — ISBN 3-540-42521-7.
- ↑ S. C. Goldstein, H. Schmit, M. Budiu, M. Moe, and R. R. Taylor. Piperench: A recongurable architecture and compiler // Computer. — April 2000. — Т. 33, № 4. — С. 70—77.
Стандарты
- ↑ ISO 10116: Information Processing — Modes of Operation for an n-bit block cipher algorithm.
- ↑ ISO 9797: Data cryptographic techniques — Data integrity mechanism using a cryptographic check function employing a block cipher algorithm.
- ↑ ISO 9798-2: Information technology — Security technicues — Entity authentication mechanisms — Part 2: Entity authentication using symmetric techniques.
- ↑ ISO 10118-2: Information technology — Security technicues — Hash-functions — Part 2: Hash-functions using an n-bit block cipher algorithm.
- ↑ ISO 11770-2: Information technology — Security technicues — Key management — Part 2: Key management mechanisms using symmetric techniques.
Ссылки
Реализации
- IDEA in 448 bytes of 80x86 (англ.). — реализации IDEA на языке программирования Ассемблер. Дата обращения: 6 ноября 2008. Архивировано 28 января 2012 года.
Русские
- Часто задаваемые вопросы по симметричным шифрам. — по материалам конференции fido7.ru.crypt. Дата обращения: 6 ноября 2008. Архивировано из оригинала 22 августа 2011 года.
- Симметричные блочные шифры. — Анализ надежности блочных шифров в реализации PGP. Дата обращения: 6 ноября 2008.
Зарубежные
- RSA FAQ on Block Ciphers (англ.). Дата обращения: 6 ноября 2008. Архивировано 19 октября 2004 года.
- SCAN entry for IDEA (англ.). Дата обращения: 6 ноября 2008. Архивировано 28 января 2012 года.
- IDEA Applet (нем.). Дата обращения: 6 ноября 2008. Архивировано 1 февраля 2012 года.
- Erläuterung und Schaubild zum Verfahren (нем.). Дата обращения: 6 ноября 2008. Архивировано 28 января 2012 года.
